Tolerances are one of those concepts that people don’t really think about when they first start designing parts. Tolerances bridge the gap between a part design and the real world manufacture of that part. In this article, we explore the concept of tolerances, a critical element in design for manufacturing tolerances, to bridge the gap between part design and real-world production.
What is Tolerance?
When you design a part, you decide what the perfect version of that part should look like. Whether you sketch it on a piece of paper, or model in a 3D CAD software, you’re mapping out the features of the part using their locations and sizes. All of those dimensions (lengths, diameters, angles, etc.) are theoretically “perfect”. Unfortunately, in the real world, nothing is ever perfect. That’s where tolerances come in. Understanding tolerances is essential in the realm of design for manufacturing tolerances, allowing designers to define how far from the perfect dimension is still acceptable.
You can find tolerances on both sides of the manufacturing process. A tolerance can be specified on a design drawing, in which case whoever makes the physical parts must make it to a size that falls within the allowable tolerance limits. Alternatively, a tolerance can be specified by a parts supplier. This defines how close to perfect the supplier can make parts. In the case of SendCutSend, we provide the tolerances for all of the materials we offer to help you design your parts. So you can know before you order if the parts can be made close enough to perfect for your project.


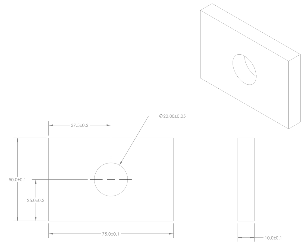
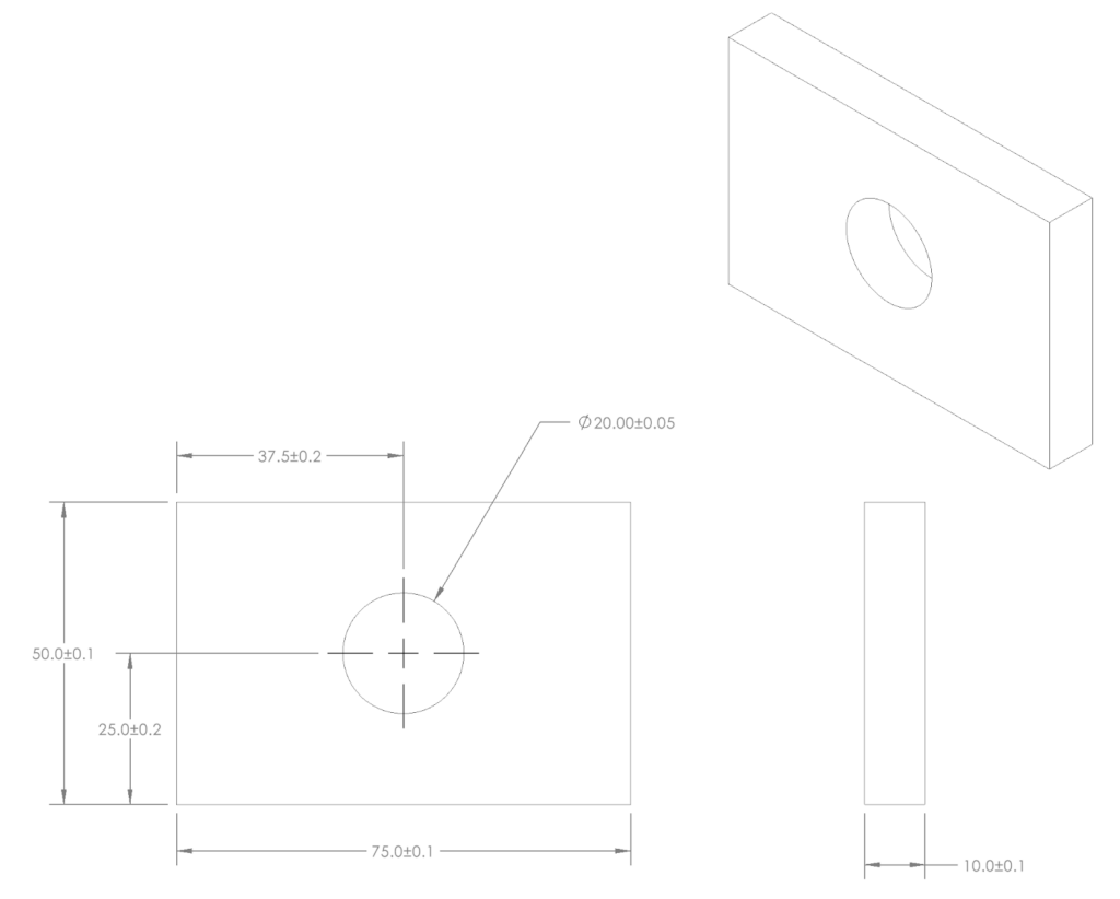
Tolerance is the term used to describe how far something could be from perfect. Not how far from perfect it is, but how far from perfect it could be. Let’s say you had SendCutSend cut a 4 inch square from ¼ inch thick 6061 aluminum plate. The digital file you send us shows the perfect 4 inch square, and our lasers are very accurate, but because they exist in the real world, they’re not perfect. For our ¼ inch 6061 aluminum plate, that tolerance is plus or minus .005 inch. That means the physical part you get from us could measure as much as 4.005 inches or as little as 3.995 inches. A part measuring 4.003 inches would be “within tolerance”.
What Affects Tolerances on a Part?
A lot of things factor into how accurately a part can be made.
- How it’s made – The equipment used to make the part can be a big factor. More expensive equipment often brings higher levels of accuracy and repeatability. The condition of tools can affect tolerances. A poorly maintained tool is likely to make parts with wider tolerance ranges. Achieving tighter tolerances may require that a part go through multiple processes, like milling followed by surface grinding for example.
- The material it’s made from – Some materials cut more easier than others. Thicker materials can be more difficult to achieve consistent cuts through their depth than thinner materials.
- The size of the part – A machine cutting two holes close together is likely going to be more accurate than when it has to travel much further to cut features.
- Even the temperature of the part when it’s measured can affect its size, which can be a concern when making high precision machined parts.
There’s a deep rabbit hole you can head down if you’re more interested in part accuracy and measuring precision. We won’t do much more than dip our toe in that pond.
Tolerance vs Fit
Tolerance and fit are two terms that get misused a lot. They are not the same thing. You may have heard someone make the claim that two parts that fit together too loosely or too tightly have too much or too little tolerance. That’s fit, not tolerance. Typically in a design you’ll know what kind of a fit you need (often described technically by classes of engineering fits for shafts and holes). In order to guarantee your parts the desired fit, you need to determine appropriate dimensions AND tolerances.
If you want a 1 inch diameter pin to slide through a hole freely, you wouldn’t specify a 1 inch pin and a 1 inch hole. Even with tolerances of zero on both dimensions (two perfect parts), the pin would get stuck in the hole because they’re the same size. Instead you’d want to either decrease the size of the pin or increase the size of the hole, or both AND account for some real world tolerances on both those dimensions. If you’re looking for a close fit, the diameter of the pin and hole will need to be close, but not so close that the tolerance of the pin could allow it to be bigger than the hole.
An important side note for having parts manufactured is that extremely tight tolerances can often be achieved (near perfect parts), but that may drive up cost on parts because more expensive tooling has to be used, or multiple manufacturing steps have to be performed. It can be useful to understand when you need tighter tolerances and when you can use parts made with less tight tolerances. Sometimes it makes sense to have your parts made with just a little extra material that you can manually remove to get the fit you need.
Types of Tolerances from SendCutSend
Cut Tolerance – This is the tolerance you can expect for features that are cut by SendCutSend. It includes the overall size of the shape, but also any features cut into the part like holes and other shapes.
Material Thickness Tolerance – This is the tolerance on the thickness of the material.
Flatness Tolerance – This is the tolerance on how flat the material is, typically measured in deviation from perfectly flat over a given distance.
Bending Tolerances – There are several tolerances to be aware of when forming, including the bend angle itself, but also the flange lengths.
Designing with Tolerances In Mind
When designing parts that need to interface with other components, paying attention to design for manufacturing tolerances is crucial to ensure that all dimensions work harmoniously within specified limits. Consider dimensions at their smallest and largest. The chance of all dimensions being at the extreme ends of their tolerance windows is small, but it can happen. If you need your parts to fit together right out of the box, you’ll want to include all the tolerances in your design. The earlier in the process you account for tolerances, the better your final parts will come out.
Another option that can be a little more time consuming, but produce parts that can fit together much tighter and more consistent, is to design your parts with a small amount of extreme material. Undersize holes and slots, oversize tabs by the cut tolerance amount and when your parts arrive you can remove the necessary material to get the precision fit you need. It’s much easier to remove a small amount of material to dial in the perfect fit than to try to add material to tighten up a loose fit. It doesn’t take expensive tools, drill bits can make pretty accurate holes. Files or simple sandpaper can clean up flat or curved edges.
Adjusting bends can be a little trickier, especially on thicker materials or more fragile parts, but it is usually possible to push or pull a bend slightly to match an existing angle you need. Be careful not to bend a material back and forth more than necessary as it can fatigue.
Can’t Tolerate the Tolerances?
As you design your parts, keeping design for manufacturing tolerances in mind ensures not only fit but also functionality, making your projects more successful and cost-effective. You can design parts for guaranteed fits, but run the risk of looser fits if parts fall to one end of the tolerance range. Or you can plan for the possibility of manually cleaning up parts after receiving them to get more precise fits.
If you’re concerned about tolerances causing you issues, we’re here to help. We’ve got a number of articles and guides on tolerances available on our blog. If you just need some advice on your design, you can reach out to our support team to help answer your questions.However you design your parts, SendCutSend has the materials and services to make them a reality. Contact us for your instant pricing today!