We accept .ai, .dxf, .dwg, .eps, .stp, and .step
Customize one of our simple parts templates
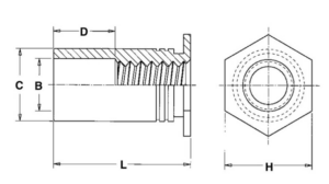
We proudly use hardware by PEM. To confirm specifications not listed here, search for the SKU in PEM’s hardware catalog.
H = Hole size in sheet (+0.003”/-0.000”)
J = Bend allowance (find with Bend Calculator)
K = Minimum distance from center of hole to cut edge
N = Minimum distance from center of hole to edge of bend allowance area (J)
M = Minimum distance from hole center to hole center for two of the same hardware SKU
P = Minimum distance from hole center to hole center for two different hardware SKUs, see our Hardware Guidelines
Aluminum: 5052, 6061, 7075 Steel: Mild, G90
| SKU | S-440-1 |
| Thread Size | 4-40 |
| Hole size in sheet (+0.003/-.0.000) | .166″ |
| Minimum sheet thickness | 0.04″ |
| Maximum sheet thickness | N/A |
| Fastener material | Carbon Steel |
| Minimum distance hole C/L to edge (K) or bend (N) | 0.250″ |
| Minimum C/L to C/L distance between two of the same hardware size (M) | .335″ |
| Recommended panel material | Steel/Aluminum |
| Coating type | Zinc |
| Thickness (T) above material after install | .070″ |
| Aluminum material ranges (5052, 6061, 7075) | 0.040″-0.500″ |
| Steel material ranges (CRS, HRPO, HR) | 0.048″-0.375″ |
We proudly use hardware by PEM. To confirm specifications not listed here, search for the SKU in PEM’s hardware catalog.
H = Hole size in sheet (+0.003”/-0.000”)
J = Bend allowance (find with Bend Calculator)
K = Minimum distance from center of hole to cut edge
N = Minimum distance from center of hole to edge of bend allowance area (J)
M = Minimum distance from hole center to hole center for two of the same hardware SKU
P = Minimum distance from hole center to hole center for two different hardware SKUs, see our Hardware Guidelines
Stainless Steel: 304, 316
| SKU | SP-440-1 |
| Thread Size | 4-40 |
| Hole size in sheet (+0.003/-.0.000) | .166″ |
| Minimum sheet thickness | 0.04″ |
| Maximum sheet thickness | N/A |
| Fastener material | A236 Hardened Stainless Steel |
| Minimum distance hole C/L to edge (K) or bend (N) | 0.313″ |
| Minimum C/L to C/L distance between two of the same hardware size (M) | .503″ |
| Recommended panel material | Stainless Steel |
| Coating type | Passivated and/or tested |
| Thickness (T) above material after install | .070″ |
| 304 Stainless Steel material ranges | 0.048″-0.375″ |
| 316 Stainless Steel material ranges | 0.060″-0.375″ |
We proudly use hardware by PEM. To confirm specifications not listed here, search for the SKU in PEM’s hardware catalog.
H = Hole size in sheet (+0.003”/-0.000”)
J = Bend allowance (find with Bend Calculator)
K = Minimum distance from center of hole to cut edge
N = Minimum distance from center of hole to edge of bend allowance area (J)
M = Minimum distance from hole center to hole center for two of the same hardware SKU
P = Minimum distance from hole center to hole center for two different hardware SKUs, see our Hardware Guidelines
Aluminum: 5052, 6061 Steel: Mild, G90
| SKU | F-440-1 |
| Thread Size | 4-40 |
| Hole size in sheet (+0.003/-.0.000) | .172″ |
| Minimum sheet thickness | 0.059″ |
| Maximum sheet thickness | 0.090″ |
| Fastener material | 300 Stainless Steel |
| Minimum distance hole C/L to edge (K) or bend (N) | 0.230″ |
| Minimum C/L to C/L distance between two of the same hardware size (M) | .316″ |
| Recommended panel material | Steel/Aluminum |
| Coating type | 300 Series Stainless Steel Passivated |
| Thickness (T) above material after install | 0.0″ |
| Aluminum material ranges (5052, 6061, 7075) | 0.063″-0.090″ |
| Steel material ranges (CRS, HRPO, HR) | 0.059″-0.074″ |
We proudly use hardware by PEM. To confirm specifications not listed here, search for the SKU in PEM’s hardware catalog.
H = Hole size in sheet (+0.003”/-0.000”)
J = Bend allowance (find with Bend Calculator)
K = Minimum distance from center of hole to cut edge
N = Minimum distance from center of hole to edge of bend allowance area (J)
M = Minimum distance from hole center to hole center for two of the same hardware SKU
P = Minimum distance from hole center to hole center for two different hardware SKUs, see our Hardware Guidelines
Aluminum: 5052, 6061, 7075 Steel: Mild
| SKU | F-440-2 |
| Thread Size | 4-40 |
| Hole size in sheet (+0.003/-.0.000) | .172″ |
| Minimum sheet thickness | 0.090″ |
| Maximum sheet thickness | N/A |
| Fastener material | 300 Stainless Steel |
| Minimum distance hole C/L to edge (K) or bend (N) | .230″ |
| Minimum C/L to C/L distance between two of the same hardware size (M) | .316″ |
| Recommended panel material | Steel/Aluminum |
| Coating type | 300 Series Stainless Steel Passivated |
| Thickness (T) above material after install | 0.0″ |
| Aluminum material ranges (5052, 6061, 7075) | 0.090″-0.500″ |
| Steel material ranges (CRS, HRPO, HR) | 0.104″-0.500″ |
We proudly use hardware by PEM. To confirm specifications not listed here, search for the SKU in PEM’s hardware catalog.
H = Hole size in sheet (+0.003”/-0.000”)
J = Bend allowance (find with Bend Calculator)
K = Minimum distance from center of hole to cut edge
N = Minimum distance from center of hole to edge of bend allowance area (J)
M = Minimum distance from hole center to hole center for two of the same hardware SKU
P = Minimum distance from hole center to hole center for two different hardware SKUs, see our Hardware Guidelines
Aluminum: 5052, 6061 Steel: Mild, G90
| SKU | F-M2.5-1 |
| Thread Size | M2.5 x 0.45 |
| Hole size in sheet (+0.003/-.0.000) | 0.172″ |
| Minimum sheet thickness | 0.059″ |
| Maximum sheet thickness | 0.090″ |
| Fastener material | 300 Stainless Steel |
| Minimum distance hole C/L to edge (K) or bend (N) | 0.236″ |
| Minimum C/L to C/L distance between two of the same hardware size (M) | .322″ |
| Recommended panel material | Steel/Aluminum |
| Coating type | 300 Series Stainless Steel Passivated |
| Thickness (T) above material after install | 0.0″ |
| Aluminum material ranges (5052, 6061, 7075) | 0.63″-0.090″ |
| Steel material ranges (CRS, HRPO, HR) | 0.059″ – 0.074″ |
We proudly use hardware by PEM. To confirm specifications not listed here, search for the SKU in PEM’s hardware catalog.
H = Hole size in sheet (+0.003”/-0.000”)
J = Bend allowance (find with Bend Calculator)
K = Minimum distance from center of hole to cut edge
N = Minimum distance from center of hole to edge of bend allowance area (J)
M = Minimum distance from hole center to hole center for two of the same hardware SKU
P = Minimum distance from hole center to hole center for two different hardware SKUs, see our Hardware Guidelines
Aluminum: 5052, 6061, 7075 Steel: Mild
| SKU | F-M2.5-2 |
| Thread Size | M2.5 x 0.45 |
| Hole size in sheet (+0.003/-.0.000) | .172″ |
| Minimum sheet thickness | 0.090″ |
| Maximum sheet thickness | N/A |
| Fastener material | 300 Stainless Steel |
| Minimum distance hole C/L to edge (K) or bend (N) | 0.236″ |
| Minimum C/L to C/L distance between two of the same hardware size (M) | .322″ |
| Recommended panel material | Steel/Aluminum |
| Coating type | 300 Series Stainless Steel Passivated |
| Thickness (T) above material after install | 0.0″ |
| Aluminum material ranges (5052, 6061, 7075) | 0.090″-0.500″ |
| Steel material ranges (CRS, HRPO, HR) | 0.104″-0.500″ |
We proudly use hardware by PEM. To confirm specifications not listed here, search for the SKU in PEM’s hardware catalog.
H = Hole size in sheet (+0.003”/-0.000”)
J = Bend allowance (find with Bend Calculator)
K = Minimum distance from center of hole to cut edge
N = Minimum distance from center of hole to edge of bend allowance area (J)
M = Minimum distance from hole center to hole center for two of the same hardware SKU
P = Minimum distance from hole center to hole center for two different hardware SKUs, see our Hardware Guidelines
Aluminum: 5052, 6061, 7075 Steel: Mild, G90
| SKU | S-632-1 |
| Thread Size | 6-32 |
| Hole size in sheet +0.003″/-0.000″ (H) | 0.187″ |
| Minimum sheet thickness | 0.04″ |
| Maximum sheet thickness | N/A |
| Fastener material | Carbon Steel |
| Minimum distance hole C/L to edge (K) or bend (N) | .250″ |
| Minimum C/L to C/L distance between two of the same hardware SKU (M) | .345″ |
| Recommended panel material | Steel/Aluminum |
| Coating type | Zinc |
| Thickness (T) above material after install | .070″ |
| Aluminum material ranges (5052,6061,7075) | 0.040″-0.500″ |
| Steel material ranges (CRS, HRPO, HR) | 0.048″-0.375″ |
We proudly use hardware by PEM. To confirm specifications not listed here, search for the SKU in PEM’s hardware catalog.
H = Hole size in sheet (+0.003”/-0.000”)
J = Bend allowance (find with Bend Calculator)
K = Minimum distance from center of hole to cut edge
N = Minimum distance from center of hole to edge of bend allowance area (J)
M = Minimum distance from hole center to hole center for two of the same hardware SKU
P = Minimum distance from hole center to hole center for two different hardware SKUs, see our Hardware Guidelines
Stainless Steel: 304, 316
| SKU | SP-632-1 |
| Thread Size | 6-32 |
| Hole size in sheet +0.003″/-0.000″ (H) | 0.188″ |
| Minimum sheet thickness | 0.04″ |
| Maximum sheet thickness | N/A |
| Fastener material | A236 Hardened Stainless Steel |
| Minimum distance hole C/L to edge (K) or bend (N) | .313″ |
| Minimum C/L to C/L distance between two of the same hardware SKU (M) | .533″ |
| Recommended panel material | Stainless Steel |
| Coating type | Passivated and/or tested |
| Thickness (T) above material after install | .070″ |
| 304 Stainless Steel material ranges | 0.048″-0.375″ |
| 316 Stainless Steel material ranges | 0.060″-0.375″ |
We proudly use hardware by PEM. To confirm specifications not listed here, search for the SKU in PEM’s hardware catalog.
H = Hole size in sheet (+0.003”/-0.000”)
J = Bend allowance (find with Bend Calculator)
K = Minimum distance from center of hole to cut edge
N = Minimum distance from center of hole to edge of bend allowance area (J)
M = Minimum distance from hole center to hole center for two of the same hardware SKU
P = Minimum distance from hole center to hole center for two different hardware SKUs, see our Hardware Guidelines
Aluminum: 5052, 6061 Steel: Mild, G90
| SKU | F-632-1 |
| Thread Size | 6-32 |
| Hole size in sheet (+0.003/-.0.000) | .213″ |
| Minimum sheet thickness | .059″ |
| Maximum sheet thickness | .090″ |
| Fastener material | 300 Stainless Steel |
| Minimum distance hole C/L to edge (K) or bend (N) | .270″ |
| Minimum C/L to C/L distance between two of the same hardware size (M) | .377″ |
| Recommended panel material | Steel/Aluminum |
| Coating type | 300 Series Stainless Steel Passivated |
| Thickness (T) above material after install | 0.0″ |
| Aluminum material ranges (5052, 6061, 7075) | 0.063″-0.090″ |
| Steel material ranges (CRS, HRPO, HR) | 0.059″-0.074″ |
We proudly use hardware by PEM. To confirm specifications not listed here, search for the SKU in PEM’s hardware catalog.
H = Hole size in sheet (+0.003”/-0.000”)
J = Bend allowance (find with Bend Calculator)
K = Minimum distance from center of hole to cut edge
N = Minimum distance from center of hole to edge of bend allowance area (J)
M = Minimum distance from hole center to hole center for two of the same hardware SKU
P = Minimum distance from hole center to hole center for two different hardware SKUs, see our Hardware Guidelines
Aluminum: 5052, 6061, 7075 Steel: Mild
| SKU | F-632-2 |
| Thread Size | 6-32 |
| Hole size in sheet (+0.003/-.0.000) | .213″ |
| Minimum sheet thickness | 0.090″ |
| Maximum sheet thickness | N/A |
| Fastener material | 300 Stainless Steel |
| Minimum distance hole C/L to edge (K) or bend (N) | 0.270″ |
| Minimum C/L to C/L distance between two of the same hardware size (M) | .377″ |
| Recommended panel material | Steel/Aluminum |
| Coating type | 300 Series Stainless Steel Passivated |
| Thickness (T) above material after install | 0.0″ |
| Aluminum material ranges (5052, 6061, 7075) | 0.090″-0.500″ |
| Steel material ranges (CRS, HRPO, HR) | 0.104″-0.500″ |
We proudly use hardware by PEM. To confirm specifications not listed here, search for the SKU in PEM’s hardware catalog.
H = Hole size in sheet (+0.003”/-0.000”)
J = Bend allowance (find with Bend Calculator)
K = Minimum distance from center of hole to cut edge
N = Minimum distance from center of hole to edge of bend allowance area (J)
M = Minimum distance from hole center to hole center for two of the same hardware SKU
P = Minimum distance from hole center to hole center for two different hardware SKUs, see our Hardware Guidelines
Aluminum: 5052, 6061, 7075 Steel: Mild, G90
| SKU | S-M3-0 |
| Thread Size | M3 x 0.5 |
| Hole size in sheet +0.003″/-0.000″ (H) | .168″ |
| Minimum sheet thickness | .031″ |
| Maximum sheet thickness | N/A |
| Fastener material | Carbon Steel |
| Minimum distance hole C/L to edge (K) or bend (N) | .250″ |
| Minimum C/L to C/L distance between two of the same hardware SKU (M) | .336″ |
| Recommended panel material | Steel/Aluminum |
| Coating type | Zinc |
| Thickness (T) above material after install | .059″ |
| Aluminum material ranges (5052, 6061, 7075) | 0.040″-0.500″ |
| Steel material ranges (CRS, HRPO, HR) | 0.048″-0.500″ |
We proudly use hardware by PEM. To confirm specifications not listed here, search for the SKU in PEM’s hardware catalog.
H = Hole size in sheet (+0.003”/-0.000”)
J = Bend allowance (find with Bend Calculator)
K = Minimum distance from center of hole to cut edge
N = Minimum distance from center of hole to edge of bend allowance area (J)
M = Minimum distance from hole center to hole center for two of the same hardware SKU
P = Minimum distance from hole center to hole center for two different hardware SKUs, see our Hardware Guidelines
Stainless Steel: 304, 316
| SKU | SP-M3-0 |
| Thread Size | M3 x 0.5 |
| Hole size in sheet +0.003″/-0.000″ (H) | 0.166″ |
| Minimum sheet thickness | 0.031″ |
| Maximum sheet thickness | N/A |
| Fastener material | A236 Hardened Stainless Steel |
| Minimum distance hole C/L to edge (K) or bend (N) | 0.313″ |
| Minimum C/L to C/L distance between two of the same hardware SKU (M) | 0.501″ |
| Recommended panel material | Stainless Steel |
| Coating type | Passivated and/or tested |
| Thickness (T) above material after install | .059″ |
| 304 Stainless Steel material ranges | 0.048″-0.375″ |
| 316 Stainless Steel material ranges | 0.060″-0.375″ |
We proudly use hardware by PEM. To confirm specifications not listed here, search for the SKU in PEM’s hardware catalog.
H = Hole size in sheet (+0.003”/-0.000”)
J = Bend allowance (find with Bend Calculator)
K = Minimum distance from center of hole to cut edge
N = Minimum distance from center of hole to edge of bend allowance area (J)
M = Minimum distance from hole center to hole center for two of the same hardware SKU
P = Minimum distance from hole center to hole center for two different hardware SKUs, see our Hardware Guidelines
Aluminum: 5052, 6061 Steel: Mild, G90
| SKU | F-M3-1 |
| Thread Size | M3 x 0.5 |
| Hole size in sheet (+0.003/-.0.000) | 0.172″ |
| Minimum sheet thickness | 0.059″ |
| Maximum sheet thickness | 0.090″ |
| Fastener material | 300 Stainless Steel |
| Minimum distance hole C/L to edge (K) or bend (N) | 0.236″ |
| Minimum C/L to C/L distance between two of the same hardware size (M) | .322″ |
| Recommended panel material | Steel/Aluminum |
| Coating type | 300 Series Stainless Steel Passivated |
| Thickness (T) above material after install | 0.0″ |
| Aluminum material ranges (5052, 6061, 7075) | 0.63″-0.090″ |
| Steel material ranges (CRS, HRPO, HR) | 0.059″ – 0.074″ |
We proudly use hardware by PEM. To confirm specifications not listed here, search for the SKU in PEM’s hardware catalog.
H = Hole size in sheet (+0.003”/-0.000”)
J = Bend allowance (find with Bend Calculator)
K = Minimum distance from center of hole to cut edge
N = Minimum distance from center of hole to edge of bend allowance area (J)
M = Minimum distance from hole center to hole center for two of the same hardware SKU
P = Minimum distance from hole center to hole center for two different hardware SKUs, see our Hardware Guidelines
Aluminum: 5052, 6061, 7075 Steel: Mild
| SKU | F-M3-2 |
| Thread Size | M3 x 0.5 |
| Hole size in sheet (+0.003/-.0.000) | .172″ |
| Minimum sheet thickness | 0.090″ |
| Maximum sheet thickness | N/A |
| Fastener material | 300 Stainless Steel |
| Minimum distance hole C/L to edge (K) or bend (N) | 0.236″ |
| Minimum C/L to C/L distance between two of the same hardware size (M) | .322″ |
| Recommended panel material | Steel/Aluminum |
| Coating type | 300 Series Stainless Steel Passivated |
| Thickness (T) above material after install | 0.0″ |
| Aluminum material ranges (5052, 6061, 7075) | 0.090″-0.500″ |
| Steel material ranges (CRS, HRPO, HR) | 0.104″-0.500″ |
We proudly use hardware by PEM. To confirm specifications not listed here, search for the SKU in PEM’s hardware catalog.
H = Hole size in sheet (+0.003”/-0.000”)
J = Bend allowance (find with Bend Calculator)
K = Minimum distance from center of hole to cut edge
N = Minimum distance from center of hole to edge of bend allowance area (J)
M = Minimum distance from hole center to hole center for two of the same hardware SKU
P = Minimum distance from hole center to hole center for two different hardware SKUs, see our Hardware Guidelines
Aluminum: 5052, 6061, 7075 Steel: Mild, G90
| SKU | S-M4-0 |
| Thread Size | M4 x 0.7 |
| Hole size in sheet +0.003″/-0.000″ (H) | .212″ |
| Minimum sheet thickness | 0.031″ |
| Maximum sheet thickness | N/A |
| Fastener material | Carbon Steel |
| Minimum distance hole C/L to edge (K) or bend (N) | .272″ |
| Minimum C/L to C/L distance between two of the same hardware SKU (M) | .379″ |
| Recommended panel material | Steel/Aluminum |
| Coating type | Zinc |
| Thickness (T) above material after install | .079″ |
| Aluminum material ranges (5052, 6061, 7075) | 0.040″-0.500″ |
| Steel material ranges (CRS, HRPO, HR) | 0.048″-0.500″ |
We proudly use hardware by PEM. To confirm specifications not listed here, search for the SKU in PEM’s hardware catalog.
H = Hole size in sheet (+0.003”/-0.000”)
J = Bend allowance (find with Bend Calculator)
K = Minimum distance from center of hole to cut edge
N = Minimum distance from center of hole to edge of bend allowance area (J)
M = Minimum distance from hole center to hole center for two of the same hardware SKU
P = Minimum distance from hole center to hole center for two different hardware SKUs, see our Hardware Guidelines
Stainless Steel: 304, 316
| SKU | SP-M4-0 |
| Thread Size | M4 x 0.7 |
| Hole size in sheet +0.003″/-0.000″ (H) | .213″ |
| Minimum sheet thickness | 0.031″ |
| Maximum sheet thickness | N/A |
| Fastener material | A236 Hardened Stainless Steel |
| Minimum distance hole C/L to edge (K) or bend (N) | .313″ |
| Minimum C/L to C/L distance between two of the same hardware SKU (M) | .584″ |
| Recommended panel material | Stainless Steel |
| Coating type | Passivated and/or tested |
| Thickness (T) above material after install | .079″ |
| 304 Stainless Steel material ranges | 0.048″-0.500″ |
| 316 Stainless Steel material ranges | 0.060″-0.500″ |
We proudly use hardware by PEM. To confirm specifications not listed here, search for the SKU in PEM’s hardware catalog.
H = Hole size in sheet (+0.003”/-0.000”)
J = Bend allowance (find with Bend Calculator)
K = Minimum distance from center of hole to cut edge
N = Minimum distance from center of hole to edge of bend allowance area (J)
M = Minimum distance from hole center to hole center for two of the same hardware SKU
P = Minimum distance from hole center to hole center for two different hardware SKUs, see our Hardware Guidelines
Aluminum: 5052, 6061 Steel: Mild, G90
| SKU | F-M4-1 |
| Thread Size | M4 x 0.7 |
| Hole size in sheet (+0.003/-.0.000) | 0.290″ |
| Minimum sheet thickness | 0.059″ |
| Maximum sheet thickness | 0.090″ |
| Fastener material | 300 Stainless Steel |
| Minimum distance hole C/L to edge (K) or bend (N) | 0.283″ |
| Minimum C/L to C/L distance between two of the same hardware size (M) | .428″ |
| Recommended panel material | Steel/Aluminum |
| Coating type | 300 Series Stainless Steel Passivated |
| Thickness (T) above material after install | 0.0″ |
| Aluminum material ranges (5052, 6061, 7075) | 0.63″-0.090″ |
| Steel material ranges (CRS, HRPO, HR) | 0.059″ – 0.074″ |
We proudly use hardware by PEM. To confirm specifications not listed here, search for the SKU in PEM’s hardware catalog.
H = Hole size in sheet (+0.003”/-0.000”)
J = Bend allowance (find with Bend Calculator)
K = Minimum distance from center of hole to cut edge
N = Minimum distance from center of hole to edge of bend allowance area (J)
M = Minimum distance from hole center to hole center for two of the same hardware SKU
P = Minimum distance from hole center to hole center for two different hardware SKUs, see our Hardware Guidelines
Aluminum: 5052, 6061, 7075 Steel: Mild
| SKU | F-M4-2 |
| Thread Size | M4 x 0.7 |
| Hole size in sheet (+0.003/-.0.000) | .290″ |
| Minimum sheet thickness | 0.090″ |
| Maximum sheet thickness | N/A |
| Fastener material | 300 Stainless Steel |
| Minimum distance hole C/L to edge (K) or bend (N) | 0.283″ |
| Minimum C/L to C/L distance between two of the same hardware size (M) | .428″ |
| Recommended panel material | Steel/Aluminum |
| Coating type | 300 Series Stainless Steel Passivated |
| Thickness (T) above material after install | 0.0″ |
| Aluminum material ranges (5052, 6061, 7075) | 0.090″-0.500″ |
| Steel material ranges (CRS, HRPO, HR) | 0.104″-0.500″ |
We proudly use hardware by PEM. To confirm specifications not listed here, search for the SKU in PEM’s hardware catalog.
H = Hole size in sheet (+0.003”/-0.000”)
J = Bend allowance (find with Bend Calculator)
K = Minimum distance from center of hole to cut edge
N = Minimum distance from center of hole to edge of bend allowance area (J)
M = Minimum distance from hole center to hole center for two of the same hardware SKU
P = Minimum distance from hole center to hole center for two different hardware SKUs, see our Hardware Guidelines
Aluminum: 5052, 6061, 7075 Steel: Mild, G90
| SKU | S-832-1 |
| Thread Size | 8-32 |
| Hole size in sheet +0.003″/-0.000″ (H) | .213″ |
| Minimum sheet thickness | 0.04″ |
| Maximum sheet thickness | N/A |
| Fastener material | Carbon Steel |
| Minimum distance hole C/L to edge (K) or bend (N) | .270″ |
| Minimum C/L to C/L distance between two of the same hardware SKU (M) | .378″ |
| Recommended panel material | Steel/Aluminum |
| Coating type | Zinc |
| Thickness (T) above material after install | .090″ |
| Aluminum material ranges (5052, 6061, 7075) | 0.040″-0.500″ |
| Steel material ranges (CRS, HRPO, HR) | 0.048″-0.500″ |
We proudly use hardware by PEM. To confirm specifications not listed here, search for the SKU in PEM’s hardware catalog.
H = Hole size in sheet (+0.003”/-0.000”)
J = Bend allowance (find with Bend Calculator)
K = Minimum distance from center of hole to cut edge
N = Minimum distance from center of hole to edge of bend allowance area (J)
M = Minimum distance from hole center to hole center for two of the same hardware SKU
P = Minimum distance from hole center to hole center for two different hardware SKUs, see our Hardware Guidelines
Stainless Steel: 304, 316
| SKU | SP-832-1 |
| Thread Size | 8-32 |
| Hole size in sheet +0.003″/-0.000″ (H) | .213″ |
| Minimum sheet thickness | 0.04″ |
| Maximum sheet thickness | N/A |
| Fastener material | A236 Hardened Stainless Steel |
| Minimum distance hole C/L to edge (K) or bend (N) | .313″ |
| Minimum C/L to C/L distance between two of the same hardware SKU (M) | .583″ |
| Recommended panel material | Stainless Steel |
| Coating type | Passivated and/or tested |
| Thickness (T) above material after install | .090″ |
| 304 Stainless Steel material ranges | 0.048″-0.500″ |
| 316 Stainless Steel material ranges | 0.060″-0.500″ |
We proudly use hardware by PEM. To confirm specifications not listed here, search for the SKU in PEM’s hardware catalog.
H = Hole size in sheet (+0.003”/-0.000”)
J = Bend allowance (find with Bend Calculator)
K = Minimum distance from center of hole to cut edge
N = Minimum distance from center of hole to edge of bend allowance area (J)
M = Minimum distance from hole center to hole center for two of the same hardware SKU
P = Minimum distance from hole center to hole center for two different hardware SKUs, see our Hardware Guidelines
Aluminum: 5052, 6061 Steel: Mild, G90
| SKU | F-832-1 |
| Thread Size | 8-32 |
| Hole size in sheet (+0.003/-.0.000) | .290″ |
| Minimum sheet thickness | 0.059″ |
| Maximum sheet thickness | 0.090″ |
| Fastener material | 300 Stainless Steel |
| Minimum distance hole C/L to edge (K) or bend (N) | 0.280″ |
| Minimum C/L to C/L distance between two of the same hardware size (M) | .425″ |
| Recommended panel material | Steel/Aluminum |
| Coating type | 300 Series Stainless Steel Passivated |
| Thickness (T) above material after install | 0.0″ |
| Aluminum material ranges (5052, 6061, 7075) | 0.063″-0.090″ |
| Steel material ranges (CRS, HRPO, HR) | 0.059″-0.074″ |
We proudly use hardware by PEM. To confirm specifications not listed here, search for the SKU in PEM’s hardware catalog.
H = Hole size in sheet (+0.003”/-0.000”)
J = Bend allowance (find with Bend Calculator)
K = Minimum distance from center of hole to cut edge
N = Minimum distance from center of hole to edge of bend allowance area (J)
M = Minimum distance from hole center to hole center for two of the same hardware SKU
P = Minimum distance from hole center to hole center for two different hardware SKUs, see our Hardware Guidelines
Aluminum: 5052, 6061, 7075 Steel: Mild
| SKU | F-832-2 |
| Thread Size | 8-32 |
| Hole size in sheet (+0.003/-.0.000) | .290″ |
| Minimum sheet thickness | 0.090″ |
| Maximum sheet thickness | N/A |
| Fastener material | 300 Stainless Steel |
| Minimum distance hole C/L to edge (K) or bend (N) | 0.280″ |
| Minimum C/L to C/L distance between two of the same hardware size (M) | .425″ |
| Recommended panel material | Steel/Aluminum |
| Coating type | 300 Series Stainless Steel Passivated |
| Thickness (T) above material after install | 0.0″ |
| Aluminum material ranges (5052, 6061, 7075) | 0.090″-0.500″ |
| Steel material ranges (CRS, HRPO, HR) | 0.104″-0.500″ |
We proudly use hardware by PEM. To confirm specifications not listed here, search for the SKU in PEM’s hardware catalog.
H = Hole size in sheet (+0.003”/-0.000”)
J = Bend allowance (find with Bend Calculator)
K = Minimum distance from center of hole to cut edge
N = Minimum distance from center of hole to edge of bend allowance area (J)
M = Minimum distance from hole center to hole center for two of the same hardware SKU
P = Minimum distance from hole center to hole center for two different hardware SKUs, see our Hardware Guidelines
Aluminum: 5052, 6061, 7075 Steel: Mild, G90
| SKU | SS-M5-0 |
| Thread Size | M5 x 0.8 |
| Hole size in sheet +0.003″/-0.000″ (H) | .251″ |
| Minimum sheet thickness | 0.031″ |
| Maximum sheet thickness | N/A |
| Fastener material | Carbon Steel |
| Minimum distance hole C/L to edge (K) or bend (N) | .280″ |
| Minimum C/L to C/L distance between two of the same hardware SKU (M) | .407″ |
| Recommended panel material | Steel/Aluminum |
| Coating type | Zinc |
| Thickness (T) above material after install | .079″ |
| Aluminum material ranges (5052, 6061, 7075) | 0.040″-0.500″ |
| Steel material ranges (CRS, HRPO, HR) | 0.048″-0.500″ |
We proudly use hardware by PEM. To confirm specifications not listed here, search for the SKU in PEM’s hardware catalog.
H = Hole size in sheet (+0.003”/-0.000”)
J = Bend allowance (find with Bend Calculator)
K = Minimum distance from center of hole to cut edge
N = Minimum distance from center of hole to edge of bend allowance area (J)
M = Minimum distance from hole center to hole center for two of the same hardware SKU
P = Minimum distance from hole center to hole center for two different hardware SKUs, see our Hardware Guidelines
Stainless Steel: 304, 316
| SKU | SP-M5-0 |
| Thread Size | M5 x 0.8 |
| Hole size in sheet +0.003″/-0.000″ (H) | .250″ |
| Minimum sheet thickness | 0.031″ |
| Maximum sheet thickness | N/A |
| Fastener material | A236 Hardened Stainless Steel |
| Minimum distance hole C/L to edge (K) or bend (N) | .313″ |
| Minimum C/L to C/L distance between two of the same hardware SKU (M) | .592″ |
| Recommended panel material | Stainless Steel |
| Coating type | Passivated and/or tested |
| Thickness (T) above material after install | .079″ |
| 304 Stainless Steel material ranges | 0.048″-0.375″ |
| 316 Stainless Steel material ranges | 0.060″-0.375″ |
We proudly use hardware by PEM. To confirm specifications not listed here, search for the SKU in PEM’s hardware catalog.
H = Hole size in sheet (+0.003”/-0.000”)
J = Bend allowance (find with Bend Calculator)
K = Minimum distance from center of hole to cut edge
N = Minimum distance from center of hole to edge of bend allowance area (J)
M = Minimum distance from hole center to hole center for two of the same hardware SKU
P = Minimum distance from hole center to hole center for two different hardware SKUs, see our Hardware Guidelines
Aluminum: 5052, 6061 Steel: Mild, G90
| SKU | F-M5-1 |
| Thread Size | M5 x 0.8 |
| Hole size in sheet (+0.003/-.0.000) | 0.312″ |
| Minimum sheet thickness | 0.059″ |
| Maximum sheet thickness | 0.090″ |
| Fastener material | 300 Stainless Steel |
| Minimum distance hole C/L to edge (K) or bend (N) | 0.315″ |
| Minimum C/L to C/L distance between two of the same hardware size (M) | .471″ |
| Recommended panel material | Steel/Aluminum |
| Coating type | 300 Series Stainless Steel Passivated |
| Thickness (T) above material after install | 0.0″ |
| Aluminum material ranges (5052, 6061, 7075) | 0.63″-0.090″ |
| Steel material ranges (CRS, HRPO, HR) | 0.059″ – 0.074″ |
We proudly use hardware by PEM. To confirm specifications not listed here, search for the SKU in PEM’s hardware catalog.
H = Hole size in sheet (+0.003”/-0.000”)
J = Bend allowance (find with Bend Calculator)
K = Minimum distance from center of hole to cut edge
N = Minimum distance from center of hole to edge of bend allowance area (J)
M = Minimum distance from hole center to hole center for two of the same hardware SKU
P = Minimum distance from hole center to hole center for two different hardware SKUs, see our Hardware Guidelines
Aluminum: 5052, 6061, 7075 Steel: Mild
| SKU | F-M5-2 |
| Thread Size | M5 x 0.8 |
| Hole size in sheet (+0.003/-.0.000) | .312″ |
| Minimum sheet thickness | 0.090″ |
| Maximum sheet thickness | N/A |
| Fastener material | 300 Stainless Steel |
| Minimum distance hole C/L to edge (K) or bend (N) | 0.315″ |
| Minimum C/L to C/L distance between two of the same hardware size (M) | .471″ |
| Recommended panel material | Steel/Aluminum |
| Coating type | 300 Series Stainless Steel Passivated |
| Thickness (T) above material after install | 0.0″ |
| Aluminum material ranges (5052, 6061, 7075) | 0.090″-0.500″ |
| Steel material ranges (CRS, HRPO, HR) | 0.104″-0.500″ |
We proudly use hardware by PEM. To confirm specifications not listed here, search for the SKU in PEM’s hardware catalog.
H = Hole size in sheet (+0.003”/-0.000”)
J = Bend allowance (find with Bend Calculator)
K = Minimum distance from center of hole to cut edge
N = Minimum distance from center of hole to edge of bend allowance area (J)
M = Minimum distance from hole center to hole center for two of the same hardware SKU
P = Minimum distance from hole center to hole center for two different hardware SKUs, see our Hardware Guidelines
Aluminum: 5052, 6061, 7075 Steel: Mild, G90
| SKU | SS-032-1 |
| Thread Size | 10-32 |
| Hole size in sheet +0.003″/-0.000″ (H) | .250″ |
| Minimum sheet thickness | 0.04″ |
| Maximum sheet thickness | N/A |
| Fastener material | Carbon Steel |
| Minimum distance hole C/L to edge (K) or bend (N) | .280″ |
| Minimum C/L to C/L distance between two of the same hardware SKU (M) | .407″ |
| Recommended panel material | Steel/Aluminum |
| Coating type | Zinc |
| Thickness (T) above material after install | .090″ |
| Aluminum material ranges (5052, 6061, 7075) | 0.040″-0.500″ |
| Steel material ranges (CRS, HRPO, HR) | 0.048″-0.500″ |
We proudly use hardware by PEM. To confirm specifications not listed here, search for the SKU in PEM’s hardware catalog.
H = Hole size in sheet (+0.003”/-0.000”)
J = Bend allowance (find with Bend Calculator)
K = Minimum distance from center of hole to cut edge
N = Minimum distance from center of hole to edge of bend allowance area (J)
M = Minimum distance from hole center to hole center for two of the same hardware SKU
P = Minimum distance from hole center to hole center for two different hardware SKUs, see our Hardware Guidelines
Stainless Steel: 304, 316
| SKU | SP-032-1 |
| Thread Size | 10-32 |
| Hole size in sheet +0.003″/-0.000″ (H) | .250″ |
| Minimum sheet thickness | 0.04″ |
| Maximum sheet thickness | N/A |
| Fastener material | A236 Hardened Stainless Steel |
| Minimum distance hole C/L to edge (K) or bend (N) | .313″ |
| Minimum C/L to C/L distance between two of the same hardware SKU (M) | .593″ |
| Recommended panel material | Stainless Steel |
| Coating type | Passivated and/or tested |
| Thickness (T) above material after install | .090″ |
| 304 Stainless Steel material ranges | 0.048″-0.500″ |
| 316 Stainless Steel material ranges | 0.060″-0.500″ |
We proudly use hardware by PEM. To confirm specifications not listed here, search for the SKU in PEM’s hardware catalog.
H = Hole size in sheet (+0.003”/-0.000”)
J = Bend allowance (find with Bend Calculator)
K = Minimum distance from center of hole to cut edge
N = Minimum distance from center of hole to edge of bend allowance area (J)
M = Minimum distance from hole center to hole center for two of the same hardware SKU
P = Minimum distance from hole center to hole center for two different hardware SKUs, see our Hardware Guidelines
Aluminum: 5052, 6061 Steel: Mild, G90
| SKU | F-032-1 |
| Thread Size | 10-32 |
| Hole size in sheet (+0.003/-.0.000) | .312″ |
| Minimum sheet thickness | 0.059″ |
| Maximum sheet thickness | 0.090″ |
| Fastener material | 300 Stainless Steel |
| Minimum distance hole C/L to edge (K) or bend (N) | 0.310″ |
| Minimum C/L to C/L distance between two of the same hardware size (M) | .466″ |
| Recommended panel material | Steel/Aluminum |
| Coating type | 300 Series Stainless Steel Passivated |
| Thickness (T) above material after install | 0.0″ |
| Aluminum material ranges (5052, 6061, 7075) | 0.063″-0.090″ |
| Steel material ranges (CRS, HRPO, HR) | 0.059″-0.074″ |
We proudly use hardware by PEM. To confirm specifications not listed here, search for the SKU in PEM’s hardware catalog.
H = Hole size in sheet (+0.003”/-0.000”)
J = Bend allowance (find with Bend Calculator)
K = Minimum distance from center of hole to cut edge
N = Minimum distance from center of hole to edge of bend allowance area (J)
M = Minimum distance from hole center to hole center for two of the same hardware SKU
P = Minimum distance from hole center to hole center for two different hardware SKUs, see our Hardware Guidelines
Aluminum: 5052, 6061, 7075 Steel: Mild
| SKU | F-032-2 |
| Thread Size | 10-32 |
| Hole size in sheet (+0.003/-.0.000) | .312″ |
| Minimum sheet thickness | 0.090″ |
| Maximum sheet thickness | N/A |
| Fastener material | 300 Stainless Steel |
| Minimum distance hole C/L to edge (K) or bend (N) | 0.310″ |
| Minimum C/L to C/L distance between two of the same hardware size (M) | .466″ |
| Recommended panel material | Steel/Aluminum |
| Coating type | 300 Series Stainless Steel Passivated |
| Thickness (T) above material after install | 0.0″ |
| Aluminum material ranges (5052, 6061, 7075) | 0.090″-0.500″ |
| Steel material ranges (CRS, HRPO, HR) | 0.104″-0.500″ |
We proudly use hardware by PEM. To confirm specifications not listed here, search for the SKU in PEM’s hardware catalog.
H = Hole size in sheet (+0.003”/-0.000”)
J = Bend allowance (find with Bend Calculator)
K = Minimum distance from center of hole to cut edge
N = Minimum distance from center of hole to edge of bend allowance area (J)
M = Minimum distance from hole center to hole center for two of the same hardware SKU
P = Minimum distance from hole center to hole center for two different hardware SKUs, see our Hardware Guidelines
Aluminum: 5052, 6061, 7075 Steel: Mild, G90
| SKU | S-M6-0 |
| Thread Size | M6 x 1.0 |
| Hole size in sheet +0.003″/-0.000″ (H) | .345″ |
| Minimum sheet thickness | 0.048″ |
| Maximum sheet thickness | N/A |
| Fastener material | Carbon Steel |
| Minimum distance hole C/L to edge (K) or bend (N) | .339″ |
| Minimum C/L to C/L distance between two of the same hardware SKU (M) | .513″ |
| Recommended panel material | Steel/Aluminum |
| Coating type | Zinc |
| Thickness (T) above material after install | .161″ |
| Aluminum material ranges (5052, 6061, 7075) | 0.063″-0.500″ |
| Steel material ranges (CRS, HRPO, HR) | 0.048″-0.500″ |
We proudly use hardware by PEM. To confirm specifications not listed here, search for the SKU in PEM’s hardware catalog.
H = Hole size in sheet (+0.003”/-0.000”)
J = Bend allowance (find with Bend Calculator)
K = Minimum distance from center of hole to cut edge
N = Minimum distance from center of hole to edge of bend allowance area (J)
M = Minimum distance from hole center to hole center for two of the same hardware SKU
P = Minimum distance from hole center to hole center for two different hardware SKUs, see our Hardware Guidelines
Stainless Steel: 304, 316
| SKU | SP-M6-1 |
| Thread Size | M6 x 1.0 |
| Hole size in sheet +0.003″/-0.000″ (H) | .344″ |
| Minimum sheet thickness | 0.060″ |
| Maximum sheet thickness | N/A |
| Fastener material | A236 Hardened Stainless Steel |
| Minimum distance hole C/L to edge (K) or bend (N) | .375″ |
| Minimum C/L to C/L distance between two of the same hardware SKU (M) | .714″ |
| Recommended panel material | Stainless Steel |
| Coating type | Passivated and/or tested |
| Thickness (T) above material after install | .161″ |
| 304 Stainless Steel material ranges | 0.060″-0.500″ |
| 316 Stainless Steel material ranges | 0.060″-0.500″ |
We proudly use hardware by PEM. To confirm specifications not listed here, search for the SKU in PEM’s hardware catalog.
H = Hole size in sheet (+0.003”/-0.000”)
J = Bend allowance (find with Bend Calculator)
K = Minimum distance from center of hole to cut edge
N = Minimum distance from center of hole to edge of bend allowance area (J)
M = Minimum distance from hole center to hole center for two of the same hardware SKU
P = Minimum distance from hole center to hole center for two different hardware SKUs, see our Hardware Guidelines
Aluminum: 5052, 6061, 7075 Steel: Mild
| SKU | F-M6-3 |
| Thread Size | M6 x 1 |
| Hole size in sheet (+0.003/-.0.000) | 0.344″ |
| Minimum sheet thickness | 0.119″ |
| Maximum sheet thickness | 0.156″ |
| Fastener material | 300 Stainless Steel |
| Minimum distance hole C/L to edge (K) or bend (N) | 0.330″ |
| Minimum C/L to C/L distance between two of the same hardware size (M) | .502″ |
| Recommended panel material | Steel/Aluminum |
| Coating type | 300 Series Stainless Steel Passivated |
| Thickness (T) above material after install | 0.0″ |
| Aluminum material ranges (5052, 6061, 7075) | 0.125″ |
| Steel material ranges (CRS, HRPO, HR) | 0.119″-0.135″ |
We proudly use hardware by PEM. To confirm specifications not listed here, search for the SKU in PEM’s hardware catalog.
H = Hole size in sheet (+0.003”/-0.000”)
J = Bend allowance (find with Bend Calculator)
K = Minimum distance from center of hole to cut edge
N = Minimum distance from center of hole to edge of bend allowance area (J)
M = Minimum distance from hole center to hole center for two of the same hardware SKU
P = Minimum distance from hole center to hole center for two different hardware SKUs, see our Hardware Guidelines
Aluminum: 5052, 6061, 7075 Steel: Mild
| SKU | F-M6-4 |
| Thread Size | M6 x 1 |
| Hole size in sheet (+0.003/-.0.000) | 0.344″ |
| Minimum sheet thickness | 0.151″ |
| Maximum sheet thickness | 0.187″ |
| Fastener material | 300 Stainless Steel |
| Minimum distance hole C/L to edge (K) or bend (N) | 0.330″ |
| Minimum C/L to C/L distance between two of the same hardware size (M) | .502″ |
| Recommended panel material | Steel/Aluminum |
| Coating type | 300 Series Stainless Steel Passivated |
| Thickness (T) above material after install | 0.0″ |
| Aluminum material ranges (5052, 6061, 7075) | 0.187″ – 0.190″ |
| Steel material ranges (CRS, HRPO, HR) | 0.188″ |
We proudly use hardware by PEM. To confirm specifications not listed here, search for the SKU in PEM’s hardware catalog.
H = Hole size in sheet (+0.003”/-0.000”)
J = Bend allowance (find with Bend Calculator)
K = Minimum distance from center of hole to cut edge
N = Minimum distance from center of hole to edge of bend allowance area (J)
M = Minimum distance from hole center to hole center for two of the same hardware SKU
P = Minimum distance from hole center to hole center for two different hardware SKUs, see our Hardware Guidelines
Aluminum: 5052, 6061, 7075 Steel: Mild
| SKU | F-M6-5 |
| Thread Size | M6 x 1 |
| Hole size in sheet (+0.003/-.0.000) | 0.344″ |
| Minimum sheet thickness | 0.119″ |
| Maximum sheet thickness | N/A |
| Fastener material | 300 Stainless Steel |
| Minimum distance hole C/L to edge (K) or bend (N) | 0.330″ |
| Minimum C/L to C/L distance between two of the same hardware size (M) | .502″ |
| Recommended panel material | Steel/Aluminum |
| Coating type | 300 Series Stainless Steel Passivated |
| Thickness (T) above material after install | 0.0″ |
| Aluminum material ranges (5052, 6061, 7075) | 0.125″ – 0.500″ |
| Steel material ranges (CRS, HRPO, HR) | 0.119″ – 0.500″ |
We proudly use hardware by PEM. To confirm specifications not listed here, search for the SKU in PEM’s hardware catalog.
H = Hole size in sheet (+0.003”/-0.000”)
J = Bend allowance (find with Bend Calculator)
K = Minimum distance from center of hole to cut edge
N = Minimum distance from center of hole to edge of bend allowance area (J)
M = Minimum distance from hole center to hole center for two of the same hardware SKU
P = Minimum distance from hole center to hole center for two different hardware SKUs, see our Hardware Guidelines
Aluminum: 5052, 6061, 7075 Steel: Mild, G90
| SKU | S-0420-1 |
| Thread Size | 1/4-20 |
| Hole size in sheet +0.003″/-0.000″ (H) | .344″ |
| Minimum sheet thickness | 0.056″ |
| Maximum sheet thickness | N/A |
| Fastener material | Carbon Steel |
| Minimum distance hole C/L to edge (K) or bend (N) | .340″ |
| Minimum C/L to C/L distance between two of the same hardware SKU (M) | .514″ |
| Recommended panel material | Steel/Aluminum |
| Coating type | Zinc |
| Thickness (T) above material after install | .161″ |
| Aluminum material ranges (5052, 6061, 7075) | 0.063″-0.500″ |
| Steel material ranges (CRS, HRPO, HR) | 0.059″-0.375″ |
We proudly use hardware by PEM. To confirm specifications not listed here, search for the SKU in PEM’s hardware catalog.
H = Hole size in sheet (+0.003”/-0.000”)
J = Bend allowance (find with Bend Calculator)
K = Minimum distance from center of hole to cut edge
N = Minimum distance from center of hole to edge of bend allowance area (J)
M = Minimum distance from hole center to hole center for two of the same hardware SKU
P = Minimum distance from hole center to hole center for two different hardware SKUs, see our Hardware Guidelines
Stainless Steel: 304, 316
| SKU | SP-0420-1 |
| Thread Size | 1/4-20 |
| Hole size in sheet +0.003″/-0.000″ (H) | .344″ |
| Minimum sheet thickness | 0.056″ |
| Maximum sheet thickness | N/A |
| Fastener material | A236 Hardened Stainless Steel |
| Minimum distance hole C/L to edge (K) or bend (N) | .375″ |
| Minimum C/L to C/L distance between two of the same hardware SKU (M) | .715″ |
| Recommended panel material | Stainless Steel |
| Coating type | Passivated and/or tested |
| Thickness (T) above material after install | .170″ |
| 304 Stainless Steel material ranges | 0.060″-0.500″ |
| 316 Stainless Steel material ranges | 0.060″-0.500″ |
We proudly use hardware by PEM. To confirm specifications not listed here, search for the SKU in PEM’s hardware catalog.
H = Hole size in sheet (+0.003”/-0.000”)
J = Bend allowance (find with Bend Calculator)
K = Minimum distance from center of hole to cut edge
N = Minimum distance from center of hole to edge of bend allowance area (J)
M = Minimum distance from hole center to hole center for two of the same hardware SKU
P = Minimum distance from hole center to hole center for two different hardware SKUs, see our Hardware Guidelines
Aluminum: 5052, 6061 Steel: Mild
| SKU | F-0420-3 |
| Thread Size | 1/4-20 |
| Hole size in sheet (+0.003/-.0.000) | 0.344″ |
| Minimum sheet thickness | 0.119″ |
| Maximum sheet thickness | 0.156″ |
| Fastener material | 300 Stainless Steel |
| Minimum distance hole C/L to edge (K) or bend (N) | 0.340″ |
| Minimum C/L to C/L distance between two of the same hardware size (M) | .512″ |
| Recommended panel material | Steel/Aluminum |
| Coating type | 300 Series Stainless Steel Passivated |
| Thickness (T) above material after install | 0.0″ |
| Aluminum material ranges (5052, 6061, 7075) | 0.125″ |
| Steel material ranges (CRS, HRPO, HR) | 0.119″-0.135″ |
We proudly use hardware by PEM. To confirm specifications not listed here, search for the SKU in PEM’s hardware catalog.
H = Hole size in sheet (+0.003”/-0.000”)
J = Bend allowance (find with Bend Calculator)
K = Minimum distance from center of hole to cut edge
N = Minimum distance from center of hole to edge of bend allowance area (J)
M = Minimum distance from hole center to hole center for two of the same hardware SKU
P = Minimum distance from hole center to hole center for two different hardware SKUs, see our Hardware Guidelines
Aluminum: 6061, 7075 Steel: Mild
| SKU | F-0420-4 |
| Thread Size | 1/4-20 |
| Hole size in sheet (+0.003/-.0.000) | 0.344″ |
| Minimum sheet thickness | 0.151″ |
| Maximum sheet thickness | 0.187″ |
| Fastener material | 300 Stainless Steel |
| Minimum distance hole C/L to edge (K) or bend (N) | 0.340″ |
| Minimum C/L to C/L distance between two of the same hardware size (M) | .512″ |
| Recommended panel material | Steel/Aluminum |
| Coating type | 300 Series Stainless Steel Passivated |
| Thickness (T) above material after install | 0.0″ |
| Aluminum material ranges (5052, 6061, 7075) | 0.187″-0.190″ |
| Steel material ranges (CRS, HRPO, HR) | 0.188″ |
We proudly use hardware by PEM. To confirm specifications not listed here, search for the SKU in PEM’s hardware catalog.
H = Hole size in sheet (+0.003”/-0.000”)
J = Bend allowance (find with Bend Calculator)
K = Minimum distance from center of hole to cut edge
N = Minimum distance from center of hole to edge of bend allowance area (J)
M = Minimum distance from hole center to hole center for two of the same hardware SKU
P = Minimum distance from hole center to hole center for two different hardware SKUs, see our Hardware Guidelines
Aluminum: 6061, 7075 Steel: Mild
| SKU | F-0420-5 |
| Thread Size | 1/4-20 |
| Hole size in sheet (+0.003/-.0.000) | 0.344″ |
| Minimum sheet thickness | 0.119″ |
| Maximum sheet thickness | N/A” |
| Fastener material | 300 Stainless Steel |
| Minimum distance hole C/L to edge (K) or bend (N) | 0.340″ |
| Minimum C/L to C/L distance between two of the same hardware size (M) | .512″ |
| Recommended panel material | Steel/Aluminum |
| Coating type | 300 Series Stainless Steel Passivated |
| Thickness (T) above material after install | 0.0″ |
| Aluminum material ranges (5052, 6061, 7075) | 0.125″-0.500″ |
| Steel material ranges (CRS, HRPO, HR) | 0.119″-0.500″ |
We proudly use hardware by PEM. To confirm specifications not listed here, search for the SKU in PEM’s hardware catalog.
H = Hole size in sheet (+0.003”/-0.000”)
J = Bend allowance (find with Bend Calculator)
K = Minimum distance from center of hole to cut edge
N = Minimum distance from center of hole to edge of bend allowance area (J)
M = Minimum distance from hole center to hole center for two of the same hardware SKU
P = Minimum distance from hole center to hole center for two different hardware SKUs, see our Hardware Guidelines
Aluminum: 5052, 6061, 7075 Steel: Mild, G90
| SKU | S-0518-1 |
| Thread Size | 5/16-18 |
| Hole size in sheet +0.003″/-0.000″ (H) | .413″ |
| Minimum sheet thickness | 0.056″ |
| Maximum sheet thickness | N/A |
| Fastener material | Carbon Steel |
| Minimum distance hole C/L to edge (K) or bend (N) | .380″ |
| Minimum C/L to C/L distance between two of the same hardware SKU (M) | .587″ |
| Recommended panel material | Steel/Aluminum |
| Coating type | Zinc |
| Thickness (T) above material after install | .230″ |
| Aluminum material ranges (5052, 6061, 7075) | 0.063″-0.500″ |
| Steel material ranges (CRS, HRPO, HR) | 0.059″-0.500″ |
We proudly use hardware by PEM. To confirm specifications not listed here, search for the SKU in PEM’s hardware catalog.
H = Hole size in sheet (+0.003”/-0.000”)
J = Bend allowance (find with Bend Calculator)
K = Minimum distance from center of hole to cut edge
N = Minimum distance from center of hole to edge of bend allowance area (J)
M = Minimum distance from hole center to hole center for two of the same hardware SKU
P = Minimum distance from hole center to hole center for two different hardware SKUs, see our Hardware Guidelines
Stainless Steel: 304, 316
| SKU | SP-0518-1 |
| Thread Size | 5/16-18 |
| Hole size in sheet +0.003″/-0.000″ (H) | .413″ |
| Minimum sheet thickness | 0.056″ |
| Maximum sheet thickness | N/A |
| Fastener material | A236 Hardened Stainless Steel |
| Minimum distance hole C/L to edge (K) or bend (N) | .380″ |
| Minimum C/L to C/L distance between two of the same hardware SKU (M) | .755″ |
| Recommended panel material | Stainless Steel |
| Coating type | Passivated and/or tested |
| Thickness (T) above material after install | .230″ |
| 304 Stainless Steel material ranges | 0.048″-0.500″ |
| 316 Stainless Steel material ranges | 0.060″-0.500″ |
We proudly use hardware by PEM. To confirm specifications not listed here, search for the SKU in PEM’s hardware catalog.
H = Hole size in sheet (+0.003”/-0.000”)
J = Bend allowance (find with Bend Calculator)
K = Minimum distance from center of hole to cut edge
N = Minimum distance from center of hole to edge of bend allowance area (J)
M = Minimum distance from hole center to hole center for two of the same hardware SKU
P = Minimum distance from hole center to hole center for two different hardware SKUs, see our Hardware Guidelines
Aluminum: 5052, 6061, 7075 Steel: Mild, G90
| SKU | S-M8-1 |
| Thread Size | M8 x 1.25 |
| Hole size in sheet +0.003″/-0.000″ (H) | .413″ |
| Minimum sheet thickness | 0.055″ |
| Maximum sheet thickness | N/A |
| Fastener material | Carbon Steel |
| Minimum distance hole C/L to edge (K) or bend (N) | .382″ |
| Minimum C/L to C/L distance between two of the same hardware SKU (M) | . 589“ |
| Recommended panel material | Steel/Aluminum |
| Coating type | Zinc |
| Thickness (T) above material after install | .161″ |
| Aluminum material ranges (5052, 6061, 7075) | 0.063″-0.500″ |
| Steel material ranges (CRS, HRPO, HR) | 0.059″-0.500″ |
We proudly use hardware by PEM. To confirm specifications not listed here, search for the SKU in PEM’s hardware catalog.
H = Hole size in sheet (+0.003”/-0.000”)
J = Bend allowance (find with Bend Calculator)
K = Minimum distance from center of hole to cut edge
N = Minimum distance from center of hole to edge of bend allowance area (J)
M = Minimum distance from hole center to hole center for two of the same hardware SKU
P = Minimum distance from hole center to hole center for two different hardware SKUs, see our Hardware Guidelines
Stainless Steel: 304, 316
| SKU | SP-M8-1 |
| Thread Size | M8 x 1.25 |
| Hole size in sheet +0.003″/-0.000″ (H) | .413″ |
| Minimum sheet thickness | 0.055″ |
| Maximum sheet thickness | N/A |
| Fastener material | A236 Hardened Stainless Steel |
| Minimum distance hole C/L to edge (K) or bend (N) | .382″ |
| Minimum C/L to C/L distance between two of the same hardware SKU (M) | .757″ |
| Recommended panel material | Stainless Steel |
| Coating type | Passivated and/or tested |
| Thickness (T) above material after install | .215″ |
| 304 Stainless Steel material ranges | 0.060″-0.500″ |
| 316 Stainless Steel material ranges | 0.060″-0.500″ |
We proudly use hardware by PEM. To confirm specifications not listed here, search for the SKU in PEM’s hardware catalog.
H = Hole size in sheet (+0.003”/-0.000”)
J = Bend allowance (find with Bend Calculator)
K = Minimum distance from center of hole to cut edge
N = Minimum distance from center of hole to edge of bend allowance area (J)
M = Minimum distance from hole center to hole center for two of the same hardware SKU
P = Minimum distance from hole center to hole center for two different hardware SKUs, see our Hardware Guidelines
Aluminum: 5052, 6061, 7075 Steel: Mild, G90
| SKU | S-0616-1 |
| Thread Size | 3/8-16 |
| Hole size in sheet +0.003″/-0.000″ (H) | .500″ |
| Minimum sheet thickness | 0.090″ |
| Maximum sheet thickness | N/A |
| Fastener material | Carbon Steel |
| Minimum distance hole C/L to edge (K) or bend (N) | .440″ |
| Minimum C/L to C/L distance between two of the same hardware SKU (M) | .690″ |
| Recommended panel material | Steel/Aluminum |
| Coating type | Zinc |
| Thickness (T) above material after install | .270″ |
| Aluminum material ranges (5052, 6061, 7075) | 0.090″-0.500″ |
| Steel material ranges (CRS, HRPO, HR) | 0.104″-0.500″ |
We proudly use hardware by PEM. To confirm specifications not listed here, search for the SKU in PEM’s hardware catalog.
H = Hole size in sheet (+0.003”/-0.000”)
J = Bend allowance (find with Bend Calculator)
K = Minimum distance from center of hole to cut edge
N = Minimum distance from center of hole to edge of bend allowance area (J)
M = Minimum distance from hole center to hole center for two of the same hardware SKU
P = Minimum distance from hole center to hole center for two different hardware SKUs, see our Hardware Guidelines
Stainless Steel: 304, 316
| SKU | SP-0616-1 |
| Thread Size | 3/8-16 |
| Hole size in sheet +0.003″/-0.000″ (H) | .500″ |
| Minimum sheet thickness | 0.09″ |
| Maximum sheet thickness | N/A |
| Fastener material | A236 Hardened Stainless Steel |
| Minimum distance hole C/L to edge (K) or bend (N) | .440″ |
| Minimum C/L to C/L distance between two of the same hardware SKU (M) | .815″ |
| Recommended panel material | Stainless Steel |
| Coating type | Passivated and/or tested |
| Thickness (T) above material after install | .270″ |
| 304 Stainless Steel material ranges | 0.0100″-0.500″ |
| 316 Stainless Steel material ranges | 0.125″-0.500″ |
We proudly use hardware by PEM. To confirm specifications not listed here, search for the SKU in PEM’s hardware catalog.
H = Hole size in sheet (+0.003”/-0.000”)
J = Bend allowance (find with Bend Calculator)
K = Minimum distance from center of hole to cut edge
N = Minimum distance from center of hole to edge of bend allowance area (J)
M = Minimum distance from hole center to hole center for two of the same hardware SKU
P = Minimum distance from hole center to hole center for two different hardware SKUs, see our Hardware Guidelines
Aluminum: 5052, 6061, 7075 Steel: Mild, G90
| SKU | SO-440-8 |
| Thread Size | 4-40 x .250″ |
| Hole size in sheet +0.003″/-0.000″ (H) | .168″ |
| Minimum sheet thickness | 0.040″ |
| Maximum sheet thickness | .125″ |
| Fastener material | Carbon Steel |
| Minimum distance hole C/L to edge (K) or bend (N) | .250″ |
| Minimum C/L to C/L distance between two of the same hardware SKU (M) | .336″ |
| Recommended panel material | Steel/Aluminum |
| Coating type | Zinc |
| Length | .250″ |
| Aluminum material ranges (5052, 6061, 7075) | 0.040″-0.125″ |
| Steel material ranges (CRS, HRPO, HR) | 0.048″-0.119″ |
We proudly use hardware by PEM. To confirm specifications not listed here, search for the SKU in PEM’s hardware catalog.
H = Hole size in sheet (+0.003”/-0.000”)
J = Bend allowance (find with Bend Calculator)
K = Minimum distance from center of hole to cut edge
N = Minimum distance from center of hole to edge of bend allowance area (J)
M = Minimum distance from hole center to hole center for two of the same hardware SKU
P = Minimum distance from hole center to hole center for two different hardware SKUs, see our Hardware Guidelines
Stainless Steel: 304, 316
| SKU | SO4-440-8 |
| Thread Size | 440 |
| Hole size in sheet +0.003″/-0.000″ (H) | .166″ |
| Minimum sheet thickness | 0.04″ |
| Maximum sheet thickness | .125″ |
| Fastener material | 400 Stainless Steel |
| Minimum distance hole C/L to edge (K) or bend (N) | .250″ |
| Minimum C/L to C/L distance between two of the same hardware SKU (M) | .334″ |
| Recommended panel material | Stainless Steel |
| Coating type | Passivated |
| Length | .250″ |
| 304 Stainless Steel material ranges | 0.048″-0.125″ |
| 316 Stainless Steel material ranges | 0.060″-0.125″ |
We proudly use hardware by PEM. To confirm specifications not listed here, search for the SKU in PEM’s hardware catalog.
H = Hole size in sheet (+0.003”/-0.000”)
J = Bend allowance (find with Bend Calculator)
K = Minimum distance from center of hole to cut edge
N = Minimum distance from center of hole to edge of bend allowance area (J)
M = Minimum distance from hole center to hole center for two of the same hardware SKU
P = Minimum distance from hole center to hole center for two different hardware SKUs, see our Hardware Guidelines
Aluminum: 5052, 6061, 7075 Steel: Mild, G90
| SKU | SO-440-12 |
| Thread Size | 4-40 x .375″ |
| Hole size in sheet +0.003″/-0.000″ (H) | .168″ |
| Minimum sheet thickness | 0.040″ |
| Maximum sheet thickness | .250″ |
| Fastener material | Carbon Steel |
| Minimum distance hole C/L to edge (K) or bend (N) | .250″ |
| Minimum C/L to C/L distance between two of the same hardware SKU (M) | .336″ |
| Recommended panel material | Steel/Aluminum |
| Coating type | Zinc |
| Length | .375″ |
| Aluminum material ranges (5052, 6061, 7075) | 0.040″-0.250″ |
| Steel material ranges (CRS, HRPO, HR) | 0.048″-0.250″ |
We proudly use hardware by PEM. To confirm specifications not listed here, search for the SKU in PEM’s hardware catalog.
H = Hole size in sheet (+0.003”/-0.000”)
J = Bend allowance (find with Bend Calculator)
K = Minimum distance from center of hole to cut edge
N = Minimum distance from center of hole to edge of bend allowance area (J)
M = Minimum distance from hole center to hole center for two of the same hardware SKU
P = Minimum distance from hole center to hole center for two different hardware SKUs, see our Hardware Guidelines
Stainless Steel: 304, 316
| SKU | SO4-440-12 |
| Thread Size | 440 |
| Hole size in sheet +0.003″/-0.000″ (H) | .166″ |
| Minimum sheet thickness | 0.04″ |
| Maximum sheet thickness | .250″ |
| Fastener material | 400 Stainless Steel |
| Minimum distance hole C/L to edge (K) or bend (N) | .250″ |
| Minimum C/L to C/L distance between two of the same hardware SKU (M) | .334″ |
| Recommended panel material | Stainless Steel |
| Coating type | Passivated |
| Length | .375″ |
| 304 Stainless Steel material ranges | 0.048″-0.250″ |
| 316 Stainless Steel material ranges | 0.060″-0.250″ |
We proudly use hardware by PEM. To confirm specifications not listed here, search for the SKU in PEM’s hardware catalog.
H = Hole size in sheet (+0.003”/-0.000”)
J = Bend allowance (find with Bend Calculator)
K = Minimum distance from center of hole to cut edge
N = Minimum distance from center of hole to edge of bend allowance area (J)
M = Minimum distance from hole center to hole center for two of the same hardware SKU
P = Minimum distance from hole center to hole center for two different hardware SKUs, see our Hardware Guidelines
Aluminum: 5052, 6061, 7075 Steel: Mild, G90
| SKU | SO-440-16 |
| Thread Size | 4-40 x .500″ |
| Hole size in sheet +0.003″/-0.000″ (H) | .168″ |
| Minimum sheet thickness | 0.040″ |
| Maximum sheet thickness | .375″ |
| Fastener material | Carbon Steel |
| Minimum distance hole C/L to edge (K) or bend (N) | .250″ |
| Minimum C/L to C/L distance between two of the same hardware SKU (M) | .336″ |
| Recommended panel material | Steel/Aluminum |
| Coating type | Zinc |
| Length | .500″ |
| Aluminum material ranges (5052, 6061, 7075) | 0.040″-0.250″ |
| Steel material ranges (CRS, HRPO, HR) | 0.048″-0.250″ |
We proudly use hardware by PEM. To confirm specifications not listed here, search for the SKU in PEM’s hardware catalog.
H = Hole size in sheet (+0.003”/-0.000”)
J = Bend allowance (find with Bend Calculator)
K = Minimum distance from center of hole to cut edge
N = Minimum distance from center of hole to edge of bend allowance area (J)
M = Minimum distance from hole center to hole center for two of the same hardware SKU
P = Minimum distance from hole center to hole center for two different hardware SKUs, see our Hardware Guidelines
Aluminum: 5052, 6061, 7075 Steel: Mild, G90
| SKU | SO-632-8 |
| Thread Size | 6-32 x .250″ |
| Hole size in sheet +0.003″/-0.000″ (H) | .215″ |
| Minimum sheet thickness | .040″ |
| Maximum sheet thickness | .125″ |
| Fastener material | Carbon Steel |
| Minimum distance hole C/L to edge (K) or bend (N) | .270″ |
| Minimum C/L to C/L distance between two of the same hardware SKU (M) | .379″ |
| Recommended panel material | Steel/Aluminum |
| Coating type | Zinc |
| Length | .250″ |
| Aluminum material ranges (5052, 6061, 7075) | 0.040″-0.125″ |
| Steel material ranges (CRS, HRPO, HR) | 0.048″-0.119″ |
We proudly use hardware by PEM. To confirm specifications not listed here, search for the SKU in PEM’s hardware catalog.
H = Hole size in sheet (+0.003”/-0.000”)
J = Bend allowance (find with Bend Calculator)
K = Minimum distance from center of hole to cut edge
N = Minimum distance from center of hole to edge of bend allowance area (J)
M = Minimum distance from hole center to hole center for two of the same hardware SKU
P = Minimum distance from hole center to hole center for two different hardware SKUs, see our Hardware Guidelines
Stainless Steel: 304, 316
| SKU | SO4-632-8 |
| Thread Size | 6-32 |
| Hole size in sheet +0.003″/-0.000″ (H) | .213″ |
| Minimum sheet thickness | 0.04″ |
| Maximum sheet thickness | .125″ |
| Fastener material | 400 Stainless Steel |
| Minimum distance hole C/L to edge (K) or bend (N) | .280″ |
| Minimum C/L to C/L distance between two of the same hardware SKU (M) | .387″ |
| Recommended panel material | Stainless Steel |
| Coating type | Passivated |
| Length | .250″ |
| 304 Stainless Steel material ranges | 0.048″-0.125″ |
| 316 Stainless Steel material ranges | 0.060″-0.125″ |
We proudly use hardware by PEM. To confirm specifications not listed here, search for the SKU in PEM’s hardware catalog.
H = Hole size in sheet (+0.003”/-0.000”)
J = Bend allowance (find with Bend Calculator)
K = Minimum distance from center of hole to cut edge
N = Minimum distance from center of hole to edge of bend allowance area (J)
M = Minimum distance from hole center to hole center for two of the same hardware SKU
P = Minimum distance from hole center to hole center for two different hardware SKUs, see our Hardware Guidelines
Aluminum: 5052, 6061, 7075 Steel: Mild, G90
| SKU | SO-632-12 |
| Thread Size | 6-32 x .375″ |
| Hole size in sheet +0.003″/-0.000″ (H) | .215″ |
| Minimum sheet thickness | .040″ |
| Maximum sheet thickness | .250″ |
| Fastener material | Carbon Steel |
| Minimum distance hole C/L to edge (K) or bend (N) | .270″ |
| Minimum C/L to C/L distance between two of the same hardware SKU (M) | .379″ |
| Recommended panel material | Steel/Aluminum |
| Coating type | Zinc |
| Length | .375″ |
| Aluminum material ranges (5052, 6061, 7075) | 0.040″-0.250″ |
| Steel material ranges (CRS, HRPO, HR) | 0.048″-0.250″ |
We proudly use hardware by PEM. To confirm specifications not listed here, search for the SKU in PEM’s hardware catalog.
H = Hole size in sheet (+0.003”/-0.000”)
J = Bend allowance (find with Bend Calculator)
K = Minimum distance from center of hole to cut edge
N = Minimum distance from center of hole to edge of bend allowance area (J)
M = Minimum distance from hole center to hole center for two of the same hardware SKU
P = Minimum distance from hole center to hole center for two different hardware SKUs, see our Hardware Guidelines
Stainless Steel: 304, 316
| SKU | SO4-632-12 |
| Thread Size | 6-32 |
| Hole size in sheet +0.003″/-0.000″ (H) | .213″ |
| Minimum sheet thickness | 0.04″ |
| Maximum sheet thickness | .250″ |
| Fastener material | 400 Stainless Steel |
| Minimum distance hole C/L to edge (K) or bend (N) | .280″ |
| Minimum C/L to C/L distance between two of the same hardware SKU (M) | .387″ |
| Recommended panel material | Stainless Steel |
| Coating type | Passivated |
| Length | .375″ |
| 304 Stainless Steel material ranges | 0.048″-0.250″ |
| 316 Stainless Steel material ranges | 0.060″-0.250″ |
We proudly use hardware by PEM. To confirm specifications not listed here, search for the SKU in PEM’s hardware catalog.
H = Hole size in sheet (+0.003”/-0.000”)
J = Bend allowance (find with Bend Calculator)
K = Minimum distance from center of hole to cut edge
N = Minimum distance from center of hole to edge of bend allowance area (J)
M = Minimum distance from hole center to hole center for two of the same hardware SKU
P = Minimum distance from hole center to hole center for two different hardware SKUs, see our Hardware Guidelines
Aluminum: 5052, 6061, 7075 Steel: Mild, G90
| SKU | SO-632-16 |
| Thread Size | 6-32 x .500″ |
| Hole size in sheet +0.003″/-0.000″ (H) | .215″ |
| Minimum sheet thickness | .040″ |
| Maximum sheet thickness | .375″ |
| Fastener material | Carbon Steel |
| Minimum distance hole C/L to edge (K) or bend (N) | .270″ |
| Minimum C/L to C/L distance between two of the same hardware SKU (M) | .379″ |
| Recommended panel material | Steel/Aluminum |
| Coating type | Zinc |
| Length | .500″ |
| Aluminum material ranges (5052, 6061, 7075) | 0.040″-0.375″ |
| Steel material ranges (CRS, HRPO, HR) | 0.048″-0.375″ |
We proudly use hardware by PEM. To confirm specifications not listed here, search for the SKU in PEM’s hardware catalog.
H = Hole size in sheet (+0.003”/-0.000”)
J = Bend allowance (find with Bend Calculator)
K = Minimum distance from center of hole to cut edge
N = Minimum distance from center of hole to edge of bend allowance area (J)
M = Minimum distance from hole center to hole center for two of the same hardware SKU
P = Minimum distance from hole center to hole center for two different hardware SKUs, see our Hardware Guidelines
Stainless Steel: 304, 316
| SKU | SO4-632-20 |
| Thread Size | 6-32 |
| Hole size in sheet +0.003″/-0.000″ (H) | .213″ |
| Minimum sheet thickness | 0.04″ |
| Maximum sheet thickness | .500″ |
| Fastener material | 400 Stainless Steel |
| Minimum distance hole C/L to edge (K) or bend (N) | .280″ |
| Minimum C/L to C/L distance between two of the same hardware SKU (M) | .387″ |
| Recommended panel material | Stainless Steel |
| Coating type | Passivated |
| Length | .625″ |
| 304 Stainless Steel material ranges | 0.048″-0.500″ |
| 316 Stainless Steel material ranges | 0.060″-0.500″ |
We proudly use hardware by PEM. To confirm specifications not listed here, search for the SKU in PEM’s hardware catalog.
H = Hole size in sheet (+0.003”/-0.000”)
J = Bend allowance (find with Bend Calculator)
K = Minimum distance from center of hole to cut edge
N = Minimum distance from center of hole to edge of bend allowance area (J)
M = Minimum distance from hole center to hole center for two of the same hardware SKU
P = Minimum distance from hole center to hole center for two different hardware SKUs, see our Hardware Guidelines
Aluminum: 5052, 6061, 7075 Steel: Mild, G90
| SKU | SO-M3-6 |
| Thread Size | M3 x 0.5 |
| Hole size in sheet +0.003″/-0.000″ (H) | .166″ |
| Minimum sheet thickness | .040″ |
| Maximum sheet thickness | .111″ |
| Fastener material | Carbon Steel |
| Minimum distance hole C/L to edge (K) or bend (N) | .250″ |
| Minimum C/L to C/L distance between two of the same hardware SKU (M) | .336″ |
| Recommended panel material | Steel/Aluminum |
| Coating type | Zinc |
| Length | .236″ |
| Aluminum material ranges (5052, 6061, 7075) | 0.040″-0.100″ |
| Steel material ranges (CRS, HRPO, HR) | 0.048″-0.104″ |
We proudly use hardware by PEM. To confirm specifications not listed here, search for the SKU in PEM’s hardware catalog.
H = Hole size in sheet (+0.003”/-0.000”)
J = Bend allowance (find with Bend Calculator)
K = Minimum distance from center of hole to cut edge
N = Minimum distance from center of hole to edge of bend allowance area (J)
M = Minimum distance from hole center to hole center for two of the same hardware SKU
P = Minimum distance from hole center to hole center for two different hardware SKUs, see our Hardware Guidelines
Stainless Steel: 304, 316
| SKU | SO4-M3-6 |
| Thread Size | M3 x 0.5 |
| Hole size in sheet +0.003″/-0.000″ (H) | .166″ |
| Minimum sheet thickness | 0.39″ |
| Maximum sheet thickness | .111″ |
| Fastener material | 400 Stainless Steel |
| Minimum distance hole C/L to edge (K) or bend (N) | .250″ |
| Minimum C/L to C/L distance between two of the same hardware SKU (M) | .334″ |
| Recommended panel material | Stainless Steel |
| Coating type | Passivated |
| Length | .236″ |
| 304 Stainless Steel material ranges | 0.048″-0.100″ |
| 316 Stainless Steel material ranges | 0.060″ |
We proudly use hardware by PEM. To confirm specifications not listed here, search for the SKU in PEM’s hardware catalog.
H = Hole size in sheet (+0.003”/-0.000”)
J = Bend allowance (find with Bend Calculator)
K = Minimum distance from center of hole to cut edge
N = Minimum distance from center of hole to edge of bend allowance area (J)
M = Minimum distance from hole center to hole center for two of the same hardware SKU
P = Minimum distance from hole center to hole center for two different hardware SKUs, see our Hardware Guidelines
Aluminum: 5052, 6061, 7075 Steel: Mild, G90
| SKU | SO-M3-10 |
| Thread Size | M3 x 0.5 |
| Hole size in sheet +0.003″/-0.000″ (H) | .166″ |
| Minimum sheet thickness | .040″ |
| Maximum sheet thickness | .269″ |
| Fastener material | Carbon Steel |
| Minimum distance hole C/L to edge or bend | .250″ |
| Minimum C/L to C/L distance between two of the same hardware SKU (M) | .336″ |
| Recommended panel material | Steel/Aluminum |
| Coating type | Zinc |
| Length | .394″ |
| Aluminum material ranges (5052, 6061, 7075) | 0.040″-0.250″ |
| Steel material ranges (CRS, HRPO, HR) | 0.048″-0.250″ |
We proudly use hardware by PEM. To confirm specifications not listed here, search for the SKU in PEM’s hardware catalog.
H = Hole size in sheet (+0.003”/-0.000”)
J = Bend allowance (find with Bend Calculator)
K = Minimum distance from center of hole to cut edge
N = Minimum distance from center of hole to edge of bend allowance area (J)
M = Minimum distance from hole center to hole center for two of the same hardware SKU
P = Minimum distance from hole center to hole center for two different hardware SKUs, see our Hardware Guidelines
Stainless Steel: 304, 316
| SKU | SO4-M3-10 |
| Thread Size | M3 x 0.5 |
| Hole size in sheet +0.003″/-0.000″ (H) | .166″ |
| Minimum sheet thickness | 0.39″ |
| Maximum sheet thickness | .269″ |
| Fastener material | 400 Stainless Steel |
| Minimum distance hole C/L to edge (K) or bend (N) | .250″ |
| Minimum C/L to C/L distance between two of the same hardware SKU (M) | .334″ |
| Recommended panel material | Stainless Steel |
| Coating type | Passivated |
| Length | .394″ |
| 304 Stainless Steel material ranges | 0.048″-0.250″ |
| 316 Stainless Steel material ranges | 0.060″-250″ |
We proudly use hardware by PEM. To confirm specifications not listed here, search for the SKU in PEM’s hardware catalog.
H = Hole size in sheet (+0.003”/-0.000”)
J = Bend allowance (find with Bend Calculator)
K = Minimum distance from center of hole to cut edge
N = Minimum distance from center of hole to edge of bend allowance area (J)
M = Minimum distance from hole center to hole center for two of the same hardware SKU
P = Minimum distance from hole center to hole center for two different hardware SKUs, see our Hardware Guidelines
Aluminum: 5052, 6061, 7075 Steel: Mild, G90
| SKU | SO-M3-12 |
| Thread Size | M3 x 0.5 |
| Hole size in sheet +0.003″/-0.000″ (H) | .166″ |
| Minimum sheet thickness | .040″ |
| Maximum sheet thickness | .347″ |
| Fastener material | Carbon Steel |
| Minimum distance hole C/L to edge (K) or bend (N) | .250″ |
| Minimum C/L to C/L distance between two of the same hardware SKU (M) | .336″ |
| Recommended panel material | Steel/Aluminum |
| Coating type | Zinc |
| Length | .472″ |
| Aluminum material ranges (5052, 6061, 7075) | 0.040″-0.250″ |
| Steel material ranges (CRS, HRPO, HR) | 0.048″-0.250″ |
We proudly use hardware by PEM. To confirm specifications not listed here, search for the SKU in PEM’s hardware catalog.
H = Hole size in sheet (+0.003”/-0.000”)
J = Bend allowance (find with Bend Calculator)
K = Minimum distance from center of hole to cut edge
N = Minimum distance from center of hole to edge of bend allowance area (J)
M = Minimum distance from hole center to hole center for two of the same hardware SKU
P = Minimum distance from hole center to hole center for two different hardware SKUs, see our Hardware Guidelines
Stainless Steel: 304, 316
| SKU | SO4-M3-12 |
| Thread Size | M3 x 0.5 |
| Hole size in sheet +0.003″/-0.000″ (H) | .166″ |
| Minimum sheet thickness | 0.39″ |
| Maximum sheet thickness | .111″ |
| Fastener material | 400 Stainless Steel |
| Minimum distance hole C/L to edge (K) or bend (N) | .250″ |
| Minimum C/L to C/L distance between two of the same hardware SKU (M) | .334″ |
| Recommended panel material | Stainless Steel |
| Coating type | Passivated |
| Length | .472″ |
| 304 Stainless Steel material ranges | 0.048″-0.250″ |
| 316 Stainless Steel material ranges | 0.060″-0.250″ |
We proudly use hardware by PEM. To confirm specifications not listed here, search for the SKU in PEM’s hardware catalog.
H = Hole size in sheet (+0.003”/-0.000”)
J = Bend allowance (find with Bend Calculator)
K = Minimum distance from center of hole to cut edge
N = Minimum distance from center of hole to edge of bend allowance area (J)
M = Minimum distance from hole center to hole center for two of the same hardware SKU
P = Minimum distance from hole center to hole center for two different hardware SKUs, see our Hardware Guidelines
Aluminum: 5052, 6061, 7075 Steel: Mild, G90
| SKU | SO-M4-6 |
| Thread Size | M4 x 0.7 |
| Hole size in sheet +0.003″/-0.000″ (H) | .281″ |
| Minimum sheet thickness | .050″ |
| Maximum sheet thickness | .111″ |
| Fastener material | Carbon Steel |
| Minimum distance hole C/L to edge (K) or bend (L) | .315″ |
| Minimum C/L to C/L distance between two of the same hardware SKU (M) | .456″ |
| Recommended panel material | Steel/Aluminum |
| Coating type | Zinc |
| Length | .236″ |
| Aluminum material ranges (5052, 6061, 7075) | 0.063″-0.100″ |
| Steel material ranges (CRS, HRPO, HR) | 0.059″-0.104″ |
We proudly use hardware by PEM. To confirm specifications not listed here, search for the SKU in PEM’s hardware catalog.
H = Hole size in sheet (+0.003”/-0.000”)
J = Bend allowance (find with Bend Calculator)
K = Minimum distance from center of hole to cut edge
N = Minimum distance from center of hole to edge of bend allowance area (J)
M = Minimum distance from hole center to hole center for two of the same hardware SKU
P = Minimum distance from hole center to hole center for two different hardware SKUs, see our Hardware Guidelines
Stainless Steel: 304, 316
| SKU | SO4-M4-6 |
| Thread Size | M4 x 0.7 |
| Hole size in sheet +0.003″/-0.000″ (H) | .281″ |
| Minimum sheet thickness | 0.50″ |
| Maximum sheet thickness | .111″ |
| Fastener material | 400 Stainless Steel |
| Minimum distance hole C/L to edge (K) or bend (N) | .331″ |
| Minimum C/L to C/L distance between two of the same hardware SKU (M) | .472″ |
| Recommended panel material | Stainless Steel |
| Coating type | Passivated |
| Length | .236″ |
| 304 Stainless Steel material ranges | 0.048″-0.100″ |
| 316 Stainless Steel material ranges | 0.060″ |
We proudly use hardware by PEM. To confirm specifications not listed here, search for the SKU in PEM’s hardware catalog.
H = Hole size in sheet (+0.003”/-0.000”)
J = Bend allowance (find with Bend Calculator)
K = Minimum distance from center of hole to cut edge
N = Minimum distance from center of hole to edge of bend allowance area (J)
M = Minimum distance from hole center to hole center for two of the same hardware SKU
P = Minimum distance from hole center to hole center for two different hardware SKUs, see our Hardware Guidelines
Aluminum: 5052, 6061, 7075 Steel: Mild, G90
| SKU | SO-M4-10 |
| Thread Size | M4 x 0.7 |
| Hole size in sheet +0.003″/-0.000″ (H) | .281″ |
| Minimum sheet thickness | .050″ |
| Maximum sheet thickness | .269″ |
| Fastener material | Carbon Steel |
| Minimum distance hole C/L to edge (K) or bend (N) | .315″ |
| Minimum C/L to C/L distance between two of the same hardware SKU (M) | .456″ |
| Recommended panel material | Steel/Aluminum |
| Coating type | Zinc |
| Length | .394″ |
| Aluminum material ranges (5052, 6061, 7075) | 0.063″-0.250″ |
| Steel material ranges (CRS, HRPO, HR) | 0.059″-0.250″ |
We proudly use hardware by PEM. To confirm specifications not listed here, search for the SKU in PEM’s hardware catalog.
H = Hole size in sheet (+0.003”/-0.000”)
J = Bend allowance (find with Bend Calculator)
K = Minimum distance from center of hole to cut edge
N = Minimum distance from center of hole to edge of bend allowance area (J)
M = Minimum distance from hole center to hole center for two of the same hardware SKU
P = Minimum distance from hole center to hole center for two different hardware SKUs, see our Hardware Guidelines
Stainless Steel: 304, 316
| SKU | SO4-M4-10 |
| Thread Size | M4 x 0.7 |
| Hole size in sheet +0.003″/-0.000″ (H) | .281″ |
| Minimum sheet thickness | 0.50″ |
| Maximum sheet thickness | .269″ |
| Fastener material | 400 Stainless Steel |
| Minimum distance hole C/L to edge (K) or bend (N) | .331″ |
| Minimum C/L to C/L distance between two of the same hardware SKU (M) | .472″ |
| Recommended panel material | Stainless Steel |
| Coating type | Passivated |
| Length | .394″ |
| 304 Stainless Steel material ranges | 0.048″-0.250″ |
| 316 Stainless Steel material ranges | 0.060″-0.250″ |
We proudly use hardware by PEM. To confirm specifications not listed here, search for the SKU in PEM’s hardware catalog.
H = Hole size in sheet (+0.003”/-0.000”)
J = Bend allowance (find with Bend Calculator)
K = Minimum distance from center of hole to cut edge
N = Minimum distance from center of hole to edge of bend allowance area (J)
M = Minimum distance from hole center to hole center for two of the same hardware SKU
P = Minimum distance from hole center to hole center for two different hardware SKUs, see our Hardware Guidelines
Aluminum: 5052, 6061, 7075 Steel: Mild, G90
| SKU | SO-M4-12 |
| Thread Size | M4 x 0.7 |
| Hole size in sheet +0.003″/-0.000″ (H) | .281″ |
| Minimum sheet thickness | .050″ |
| Maximum sheet thickness | .347″ |
| Fastener material | Carbon Steel |
| Minimum distance hole C/L to edge (K) or bend (N) | .315″ |
| Minimum C/L to C/L distance between two of the same hardware SKU (M) | .456″ |
| Recommended panel material | Steel/Aluminum |
| Coating type | Zinc |
| Length | .472″ |
| Aluminum material ranges (5052, 6061, 7075) | 0.063″-0.250″ |
| Steel material ranges (CRS, HRPO, HR) | 0.059″-0.250″ |
We proudly use hardware by PEM. To confirm specifications not listed here, search for the SKU in PEM’s hardware catalog.
H = Hole size in sheet (+0.003”/-0.000”)
J = Bend allowance (find with Bend Calculator)
K = Minimum distance from center of hole to cut edge
N = Minimum distance from center of hole to edge of bend allowance area (J)
M = Minimum distance from hole center to hole center for two of the same hardware SKU
P = Minimum distance from hole center to hole center for two different hardware SKUs, see our Hardware Guidelines
Stainless Steel: 304, 316
| SKU | SO4-M4-12 |
| Thread Size | M4 x 0.7 |
| Hole size in sheet +0.003″/-0.000″ (H) | .281″ |
| Minimum sheet thickness | 0.50″ |
| Maximum sheet thickness | .347″ |
| Fastener material | 400 Stainless Steel |
| Minimum distance hole C/L to edge (K) or bend (L) | .331″ |
| Minimum C/L to C/L distance between two of the same hardware SKU (M) | .472″ |
| Recommended panel material | Stainless Steel |
| Coating type | Passivated |
| Length | .472″ |
| 304 Stainless Steel material ranges | 0.048″-0.250″ |
| 316 Stainless Steel material ranges | 0.060″-0.250″ |
We proudly use hardware by PEM. To confirm specifications not listed here, search for the SKU in PEM’s hardware catalog.
H = Hole size in sheet (+0.003”/-0.000”)
J = Bend allowance (find with Bend Calculator)
K = Minimum distance from center of hole to cut edge
N = Minimum distance from center of hole to edge of bend allowance area (J)
M = Minimum distance from hole center to hole center for two of the same hardware SKU
P = Minimum distance from hole center to hole center for two different hardware SKUs, see our Hardware Guidelines
Aluminum: 5052, 6061, 7075 Steel: Mild, G90
| SKU | SO-832-8 |
| Thread Size | 8-32 x .250″ |
| Hole size in sheet +0.003″/-0.000″ (H) | .281″ |
| Minimum sheet thickness | .050″ |
| Maximum sheet thickness | .125″ |
| Fastener material | Carbon Steel |
| Minimum distance hole C/L to edge (K) or bend (N) | .310″ |
| Minimum C/L to C/L distance between two of the same hardware SKU (M) | .452″ |
| Recommended panel material | Steel/Aluminum |
| Coating type | Zinc |
| Length | .250″ |
| Aluminum material ranges (5052, 6061, 7075) | 0.063″-0.125″ |
| Steel material ranges (CRS, HRPO, HR) | 0.059″-0.119″ |
We proudly use hardware by PEM. To confirm specifications not listed here, search for the SKU in PEM’s hardware catalog.
H = Hole size in sheet (+0.003”/-0.000”)
J = Bend allowance (find with Bend Calculator)
K = Minimum distance from center of hole to cut edge
N = Minimum distance from center of hole to edge of bend allowance area (J)
M = Minimum distance from hole center to hole center for two of the same hardware SKU
P = Minimum distance from hole center to hole center for two different hardware SKUs, see our Hardware Guidelines
Aluminum: 5052, 6061, 7075 Steel: Mild, G90
| SKU | SO-832-12 |
| Thread Size | 8-32 x .375″ |
| Hole size in sheet +0.003″/-0.000″ (H) | .281″ |
| Minimum sheet thickness | .050″ |
| Maximum sheet thickness | .250″ |
| Fastener material | Carbon Steel |
| Minimum distance hole C/L to edge (K) or bend (N) | .310″ |
| Minimum C/L to C/L distance between two of the same hardware SKU (M) | .452″ |
| Recommended panel material | Steel/Aluminum |
| Coating type | Zinc |
| Length | .375″ |
| Aluminum material ranges (5052, 6061, 7075) | 0.063″-0.250″ |
| Steel material ranges (CRS, HRPO, HR) | 0.059″-0.250″ |
We proudly use hardware by PEM. To confirm specifications not listed here, search for the SKU in PEM’s hardware catalog.
H = Hole size in sheet (+0.003”/-0.000”)
J = Bend allowance (find with Bend Calculator)
K = Minimum distance from center of hole to cut edge
N = Minimum distance from center of hole to edge of bend allowance area (J)
M = Minimum distance from hole center to hole center for two of the same hardware SKU
P = Minimum distance from hole center to hole center for two different hardware SKUs, see our Hardware Guidelines
Stainless Steel: 304, 316
| SKU | SO4-832-12 |
| Thread Size | 8-32 x .375″ |
| Hole size in sheet +0.003″/-0.000″ (H) | .281″ |
| Minimum sheet thickness | 0.04″ |
| Maximum sheet thickness | .250″ |
| Fastener material | 400 Stainless Steel |
| Minimum distance hole C/L to edge (K) or bend (N) | .330″ |
| Minimum C/L to C/L distance between two of the same hardware SKU (M) | .471″ |
| Recommended panel material | Stainless Steel |
| Coating type | Passivated |
| Length | .375″ |
| 304 Stainless Steel material ranges | 0.048″-0.250″ |
| 316 Stainless Steel material ranges | 0.060″-0.250″ |
We proudly use hardware by PEM. To confirm specifications not listed here, search for the SKU in PEM’s hardware catalog.
H = Hole size in sheet (+0.003”/-0.000”)
J = Bend allowance (find with Bend Calculator)
K = Minimum distance from center of hole to cut edge
N = Minimum distance from center of hole to edge of bend allowance area (J)
M = Minimum distance from hole center to hole center for two of the same hardware SKU
P = Minimum distance from hole center to hole center for two different hardware SKUs, see our Hardware Guidelines
Aluminum: 5052, 6061, 7075 Steel: Mild, G90
| SKU | SO-832-16 |
| Thread Size | 8-32 x .500″ |
| Hole size in sheet +0.003″/-0.000″ (H) | .281″ |
| Minimum sheet thickness | .050″ |
| Maximum sheet thickness | .375″ |
| Fastener material | Carbon Steel |
| Minimum distance hole C/L to edge (K) or bend (N) | .310″ |
| Minimum C/L to C/L distance between two of the same hardware SKU (M) | .452″ |
| Recommended panel material | Steel/Aluminum |
| Coating type | Zinc |
| Length | .500″ |
| Aluminum material ranges (5052, 6061, 7075) | 0.063″-0.375″ |
| Steel material ranges (CRS, HRPO, HR) | 0.059″-0.375″ |
We proudly use hardware by PEM. To confirm specifications not listed here, search for the SKU in PEM’s hardware catalog.
H = Hole size in sheet (+0.003”/-0.000”)
J = Bend allowance (find with Bend Calculator)
K = Minimum distance from center of hole to cut edge
N = Minimum distance from center of hole to edge of bend allowance area (J)
M = Minimum distance from hole center to hole center for two of the same hardware SKU
P = Minimum distance from hole center to hole center for two different hardware SKUs, see our Hardware Guidelines
Aluminum: 5052, 6061, 7075 Steel: Mild, G90
| SKU | SO-M5-6 |
| Thread Size | M5 x 0.8 |
| Hole size in sheet +0.003″/-0.000″ (H) | .281″ |
| Minimum sheet thickness | .050″ |
| Maximum sheet thickness | .111″ |
| Fastener material | Carbon Steel |
| Minimum distance hole C/L to edge (K) or bend (N) | .315″ |
| Minimum C/L to C/L distance between two of the same hardware SKU (M) | .456″ |
| Recommended panel material | Steel/Aluminum |
| Coating type | Zinc |
| Length | .236″ |
| Aluminum material ranges (5052, 6061, 7075) | 0.063″-0.100″ |
| Steel material ranges (CRS, HRPO, HR) | 0.059″-0.104″ |
We proudly use hardware by PEM. To confirm specifications not listed here, search for the SKU in PEM’s hardware catalog.
H = Hole size in sheet (+0.003”/-0.000”)
J = Bend allowance (find with Bend Calculator)
K = Minimum distance from center of hole to cut edge
N = Minimum distance from center of hole to edge of bend allowance area (J)
M = Minimum distance from hole center to hole center for two of the same hardware SKU
P = Minimum distance from hole center to hole center for two different hardware SKUs, see our Hardware Guidelines
Stainless Steel: 304, 316
| SKU | SO4-M5-6 |
| Thread Size | M5 x 0.8 |
| Hole size in sheet +0.003″/-0.000″ (H) | .281″ |
| Minimum sheet thickness | 0.50″ |
| Maximum sheet thickness | .111″ |
| Fastener material | 400 Stainless Steel |
| Minimum distance hole C/L to edge (K) or bend (N) | .331″ |
| Minimum C/L to C/L distance between two of the same hardware SKU (M) | .472″ |
| Recommended panel material | Stainless Steel |
| Coating type | Passivated |
| Length | .236″ |
| 304 Stainless Steel material ranges | 0.048″-0.100″ |
| 316 Stainless Steel material ranges | 0.060″ |
We proudly use hardware by PEM. To confirm specifications not listed here, search for the SKU in PEM’s hardware catalog.
H = Hole size in sheet (+0.003”/-0.000”)
J = Bend allowance (find with Bend Calculator)
K = Minimum distance from center of hole to cut edge
N = Minimum distance from center of hole to edge of bend allowance area (J)
M = Minimum distance from hole center to hole center for two of the same hardware SKU
P = Minimum distance from hole center to hole center for two different hardware SKUs, see our Hardware Guidelines
Aluminum: 5052, 6061, 7075 Steel: Mild, G90
| SKU | SO-M5-10 |
| Thread Size | M5 x 0.8 |
| Hole size in sheet +0.003″/-0.000″ (H) | .281″ |
| Minimum sheet thickness | .050″ |
| Maximum sheet thickness | .269″ |
| Fastener material | Carbon Steel |
| Minimum distance hole C/L to edge (K) or bend (N) | .315″ |
| Minimum C/L to C/L distance between two of the same hardware SKU (M) | .456″ |
| Recommended panel material | Steel/Aluminum |
| Coating type | Zinc |
| Length | .394″ |
| Aluminum material ranges (5052, 6061, 7075) | 0.063″-0.250″ |
| Steel material ranges (CRS, HRPO, HR) | 0.059″-0.250″ |
We proudly use hardware by PEM. To confirm specifications not listed here, search for the SKU in PEM’s hardware catalog.
H = Hole size in sheet (+0.003”/-0.000”)
J = Bend allowance (find with Bend Calculator)
K = Minimum distance from center of hole to cut edge
N = Minimum distance from center of hole to edge of bend allowance area (J)
M = Minimum distance from hole center to hole center for two of the same hardware SKU
P = Minimum distance from hole center to hole center for two different hardware SKUs, see our Hardware Guidelines
Stainless Steel: 304, 316
| SKU | SO4-M5-10 |
| Thread Size | M5 x 0.8 |
| Hole size in sheet +0.003″/-0.000″ (H) | .281″ |
| Minimum sheet thickness | 0.50″ |
| Maximum sheet thickness | .269″ |
| Fastener material | 400 Stainless Steel |
| Minimum distance hole C/L to edge (K) or bend (N) | .331″ |
| Minimum C/L to C/L distance between two of the same hardware SKU (M) | .472″ |
| Recommended panel material | Stainless Steel |
| Coating type | Passivated |
| Length | .394″ |
| 304 Stainless Steel material ranges | 0.048″-0.250″ |
| 316 Stainless Steel material ranges | 0.060″-0.250″ |
We proudly use hardware by PEM. To confirm specifications not listed here, search for the SKU in PEM’s hardware catalog.
H = Hole size in sheet (+0.003”/-0.000”)
J = Bend allowance (find with Bend Calculator)
K = Minimum distance from center of hole to cut edge
N = Minimum distance from center of hole to edge of bend allowance area (J)
M = Minimum distance from hole center to hole center for two of the same hardware SKU
P = Minimum distance from hole center to hole center for two different hardware SKUs, see our Hardware Guidelines
Aluminum: 5052, 6061, 7075 Steel: Mild, G90
| SKU | SO-M5-12 |
| Thread Size | M5 x 0.8 |
| Hole size in sheet +0.003″/-0.000″ (H) | .281″ |
| Minimum sheet thickness | .050″ |
| Maximum sheet thickness | .347″ |
| Fastener material | Carbon Steel |
| Minimum distance hole C/L to edge (K) or bend (N) | .315″ |
| Minimum C/L to C/L distance between two of the same hardware SKU (M) | .456″ |
| Recommended panel material | Steel/Aluminum |
| Coating type | Zinc |
| Length | .472″ |
| Aluminum material ranges (5052, 6061, 7075) | 0.063″-0.250″ |
| Steel material ranges (CRS, HRPO, HR) | 0.059″-0.250″ |
We proudly use hardware by PEM. To confirm specifications not listed here, search for the SKU in PEM’s hardware catalog.
H = Hole size in sheet (+0.003”/-0.000”)
J = Bend allowance (find with Bend Calculator)
K = Minimum distance from center of hole to cut edge
N = Minimum distance from center of hole to edge of bend allowance area (J)
M = Minimum distance from hole center to hole center for two of the same hardware SKU
P = Minimum distance from hole center to hole center for two different hardware SKUs, see our Hardware Guidelines
Aluminum: 5052, 6061, 7075 Steel: Mild, G90
| SKU | SO-032-8 |
| Thread Size | 10-32 x .250″ |
| Hole size in sheet +0.003″/-0.000″ (H) | .281″ |
| Minimum sheet thickness | .050″ |
| Maximum sheet thickness | .125″ |
| Fastener material | Steel |
| Minimum distance hole C/L to edge (K) or bend (N) | .310″ |
| Minimum C/L to C/L distance between two of the same hardware SKU (M) | .452″ |
| Recommended panel material | Steel/Aluminum |
| Coating type | Zinc |
| Length | .250″ |
| Aluminum material ranges (5052, 6061, 7075) | 0.063″-0.125″ |
| Steel material ranges (CRS, HRPO, HR) | 0.059″-0.119″ |
We proudly use hardware by PEM. To confirm specifications not listed here, search for the SKU in PEM’s hardware catalog.
H = Hole size in sheet (+0.003”/-0.000”)
J = Bend allowance (find with Bend Calculator)
K = Minimum distance from center of hole to cut edge
N = Minimum distance from center of hole to edge of bend allowance area (J)
M = Minimum distance from hole center to hole center for two of the same hardware SKU
P = Minimum distance from hole center to hole center for two different hardware SKUs, see our Hardware Guidelines
Stainless Steel: 304, 316
| SKU | SO4-032-8 |
| Thread Size | 10-32 x .250″ |
| Hole size in sheet +0.003″/-0.000″ (H) | .281″ |
| Minimum sheet thickness | 0.05″ |
| Maximum sheet thickness | .125″ |
| Fastener material | 400 Stainless Steel |
| Minimum distance hole C/L to edge (K) or bend (N) | .330″ |
| Minimum C/L to C/L distance between two of the same hardware SKU (M) | .471″ |
| Recommended panel material | Stainless Steel |
| Coating type | Passivated |
| Length | .250″ |
| 304 Stainless Steel material ranges | 0.048″-0.125″ |
| 316 Stainless Steel material ranges | 0.060″-0.125″ |
We proudly use hardware by PEM. To confirm specifications not listed here, search for the SKU in PEM’s hardware catalog.
H = Hole size in sheet (+0.003”/-0.000”)
J = Bend allowance (find with Bend Calculator)
K = Minimum distance from center of hole to cut edge
N = Minimum distance from center of hole to edge of bend allowance area (J)
M = Minimum distance from hole center to hole center for two of the same hardware SKU
P = Minimum distance from hole center to hole center for two different hardware SKUs, see our Hardware Guidelines
Aluminum: 5052, 6061, 7075 Steel: Mild, G90
| SKU | SO-032-12 |
| Thread Size | 10-32 x .375″ |
| Hole size in sheet +0.003″/-0.000″ (H) | .281″ |
| Minimum sheet thickness | .050″ |
| Maximum sheet thickness | .250″ |
| Fastener material | Carbon Steel |
| Minimum distance hole C/L to edge (K) or bend (N) | .310″ |
| Minimum C/L to C/L distance between two of the same hardware SKU (M) | .452″ |
| Recommended panel material | Steel/Aluminum |
| Coating type | Zinc |
| Length | .375″ |
| Aluminum material ranges (5052, 6061, 7075) | 0.063″-0.250″ |
| Steel material ranges (CRS, HRPO, HR) | 0.059″-0.250″ |
We proudly use hardware by PEM. To confirm specifications not listed here, search for the SKU in PEM’s hardware catalog.
H = Hole size in sheet (+0.003”/-0.000”)
J = Bend allowance (find with Bend Calculator)
K = Minimum distance from center of hole to cut edge
N = Minimum distance from center of hole to edge of bend allowance area (J)
M = Minimum distance from hole center to hole center for two of the same hardware SKU
P = Minimum distance from hole center to hole center for two different hardware SKUs, see our Hardware Guidelines
Stainless Steel: 304, 316
| SKU | SO4-032-12 |
| Thread Size | 10-32 x .375″ |
| Hole size in sheet +0.003″/-0.000″ (H) | .281″ |
| Minimum sheet thickness | 0.05″ |
| Maximum sheet thickness | .250″ |
| Fastener material | 400 Stainless Steel |
| Minimum distance hole C/L to edge (K) or bend (N) | .330″ |
| Minimum C/L to C/L distance between two of the same hardware SKU (M) | .471″ |
| Recommended panel material | Stainless Steel |
| Coating type | Passivated |
| Length | .375″ |
| 304 Stainless Steel material ranges | 0.048″-0.250″ |
| 316 Stainless Steel material ranges | 0.060″-0.250″ |
We proudly use hardware by PEM. To confirm specifications not listed here, search for the SKU in PEM’s hardware catalog.
H = Hole size in sheet (+0.003”/-0.000”)
J = Bend allowance (find with Bend Calculator)
K = Minimum distance from center of hole to cut edge
N = Minimum distance from center of hole to edge of bend allowance area (J)
M = Minimum distance from hole center to hole center for two of the same hardware SKU
P = Minimum distance from hole center to hole center for two different hardware SKUs, see our Hardware Guidelines
Aluminum: 5052, 6061, 7075 Steel: Mild, G90
| SKU | SO-032-16 |
| Thread Size | 10-32 x .500″ |
| Hole size in sheet +0.003″/-0.000″ (H) | .281″ |
| Minimum sheet thickness | .050″ |
| Maximum sheet thickness | .375″ |
| Fastener material | Carbon Steel |
| Minimum distance hole C/L to edge (K) or bend (N) | .310″ |
| Minimum C/L to C/L distance between two of the same hardware SKU (M) | .452″ |
| Recommended panel material | Steel/Aluminum |
| Coating type | Zinc |
| Length | .500″ |
| Aluminum material ranges (5052, 6061, 7075) | 0.063″-0.375″ |
| Steel material ranges (CRS, HRPO, HR) | 0.059″-0.375″ |
We proudly use hardware by PEM. To confirm specifications not listed here, search for the SKU in PEM’s hardware catalog.
H = Hole size in sheet (+0.003”/-0.000”)
J = Bend allowance (find with Bend Calculator)
K = Minimum distance from center of hole to cut edge
N = Minimum distance from center of hole to edge of bend allowance area (J)
M = Minimum distance from hole center to hole center for two of the same hardware SKU
P = Minimum distance from hole center to hole center for two different hardware SKUs, see our Hardware Guidelines
Stainless Steel: 304, 316
| SKU | SO4-032-16 |
| Thread Size | 10-32 x .500″ |
| Hole size in sheet +0.003″/-0.000″ (H) | .281″ |
| Minimum sheet thickness | .050″ |
| Maximum sheet thickness | .375″ |
| Fastener material | SST 400 |
| Minimum distance hole C/L to edge (K) or bend (N) | .330″ |
| Minimum C/L to C/L distance between two of the same hardware SKU (M) | .471″ |
| Recommended panel material | Steel/Aluminum |
| Coating type | Passivated |
| Length | .500″ |
| 304 Stainless Steel material ranges | 0.060″-0.375″ |
| 316 Stainless Steel material ranges | 0.060″-0.375″ |
We proudly use hardware by PEM. To confirm specifications not listed here, search for the SKU in PEM’s hardware catalog.
H = Hole size in sheet (+0.003”/-0.000”)
J = Bend allowance (find with Bend Calculator)
K = Minimum distance from center of hole to cut edge
N = Minimum distance from center of hole to edge of bend allowance area (J)
M = Minimum distance from hole center to hole center for two of the same hardware SKU
P = Minimum distance from hole center to hole center for two different hardware SKUs, see our Hardware Guidelines
Aluminum: 5052, 6061, 7075 Steel: Mild, G90
| SKU | FH-440-4 |
| Thread Size | 440 |
| Hole size in sheet +0.003″/-0.000″ (H) | .113″ |
| Minimum sheet thickness | .040″ |
| Maximum sheet thickness | .125″ |
| Fastener material | Carbon Steel |
| Minimum distance hole C/L to edge (K) or bend (N) | .250″ |
| Minimum C/L to C/L distance between two of the same hardware SKU (M) | .308″ |
| Recommended panel material | Steel/Aluminum |
| Coating type | Zinc |
| Length | .250″ |
| Aluminum material ranges (5052, 6061, 7075) | 0.040″-0.125″ |
| Steel material ranges (CRS, HRPO, HR) | 0.048″-0.119″ |
We proudly use hardware by PEM. To confirm specifications not listed here, search for the SKU in PEM’s hardware catalog.
H = Hole size in sheet (+0.003”/-0.000”)
J = Bend allowance (find with Bend Calculator)
K = Minimum distance from center of hole to cut edge
N = Minimum distance from center of hole to edge of bend allowance area (J)
M = Minimum distance from hole center to hole center for two of the same hardware SKU
P = Minimum distance from hole center to hole center for two different hardware SKUs, see our Hardware Guidelines
Stainless Steel: 304, 316
| SKU | FH4-440-4 |
| Thread Size | 440 |
| Hole size in sheet +0.003″/-0.000″ (H) | .111″ |
| Minimum sheet thickness | .040″ |
| Maximum sheet thickness | .125″ |
| Fastener material | 400 Stainless Steel |
| Minimum distance hole C/L to edge (K) or bend (N) | .250″ |
| Minimum C/L to C/L distance between two of the same hardware SKU (M) | .306″ |
| Recommended panel material | Stainless Steel |
| Coating type | Passivated |
| Length | .250″ |
| 304 Stainless Steel material ranges | 0.048″-0.100″ |
| 316 Stainless Steel material ranges | 0.060″-0.125″ |
We proudly use hardware by PEM. To confirm specifications not listed here, search for the SKU in PEM’s hardware catalog.
H = Hole size in sheet (+0.003”/-0.000”)
J = Bend allowance (find with Bend Calculator)
K = Minimum distance from center of hole to cut edge
N = Minimum distance from center of hole to edge of bend allowance area (J)
M = Minimum distance from hole center to hole center for two of the same hardware SKU
P = Minimum distance from hole center to hole center for two different hardware SKUs, see our Hardware Guidelines
Aluminum: 5052, 6061, 7075 Steel: Mild, G90
| SKU | FH-440-6 |
| Thread Size | 4-40 |
| Hole size in sheet +0.003″/-0.000″ (H) | .113″ |
| Minimum sheet thickness | .040″ |
| Maximum sheet thickness | .250″ |
| Fastener material | Carbon Steel |
| Minimum distance hole C/L to edge (K) or bend (N) | .250″ |
| Minimum C/L to C/L distance between two of the same hardware SKU (M) | .308″ |
| Recommended panel material | Steel/Aluminum |
| Coating type | Zinc |
| Length | .375″ |
| Aluminum material ranges (5052, 6061, 7075) | 0.040″-0.250″ |
| Steel material ranges (CRS, HRPO, HR) | 0.048″-0.250″ |
We proudly use hardware by PEM. To confirm specifications not listed here, search for the SKU in PEM’s hardware catalog.
H = Hole size in sheet (+0.003”/-0.000”)
J = Bend allowance (find with Bend Calculator)
K = Minimum distance from center of hole to cut edge
N = Minimum distance from center of hole to edge of bend allowance area (J)
M = Minimum distance from hole center to hole center for two of the same hardware SKU
P = Minimum distance from hole center to hole center for two different hardware SKUs, see our Hardware Guidelines
Stainless Steel: 304, 316
| SKU | FH4-440-6 |
| Thread Size | 440 |
| Hole size in sheet +0.003″/-0.000″ (H) | .111″ |
| Minimum sheet thickness | .040″ |
| Maximum sheet thickness | .250″ |
| Fastener material | 400 Stainless Steel |
| Minimum distance hole C/L to edge (K) or bend (N) | .250″ |
| Minimum C/L to C/L distance between two of the same hardware SKU (M) | .306″ |
| Recommended panel material | Stainless Steel |
| Coating type | Passivated |
| Length | .375″ |
| 304 Stainless Steel material ranges | 0.048″-0.250″ |
| 316 Stainless Steel material ranges | 0.060″-0.250″ |
We proudly use hardware by PEM. To confirm specifications not listed here, search for the SKU in PEM’s hardware catalog.
H = Hole size in sheet (+0.003”/-0.000”)
J = Bend allowance (find with Bend Calculator)
K = Minimum distance from center of hole to cut edge
N = Minimum distance from center of hole to edge of bend allowance area (J)
M = Minimum distance from hole center to hole center for two of the same hardware SKU
P = Minimum distance from hole center to hole center for two different hardware SKUs, see our Hardware Guidelines
Aluminum: 5052, 6061, 7075 Steel: Mild, G90
| SKU | FH-440-8 |
| Thread Size | 4-40 |
| Hole size in sheet +0.003″/-0.000″ (H) | .113″ |
| Minimum sheet thickness | .040″ |
| Maximum sheet thickness | .375″ |
| Fastener material | Carbon Steel |
| Minimum distance hole C/L to edge (K) or bend (N) | .250″ |
| Minimum C/L to C/L distance between two of the same hardware SKU (M) | .308″ |
| Recommended panel material | Steel/Aluminum |
| Coating type | Zinc |
| Length | .500″ |
| Aluminum material ranges (5052, 6061, 7075) | 0.040″-0.250″ |
| Steel material ranges (CRS, HRPO, HR) | 0.048″-0.250″ |
We proudly use hardware by PEM. To confirm specifications not listed here, search for the SKU in PEM’s hardware catalog.
H = Hole size in sheet (+0.003”/-0.000”)
J = Bend allowance (find with Bend Calculator)
K = Minimum distance from center of hole to cut edge
N = Minimum distance from center of hole to edge of bend allowance area (J)
M = Minimum distance from hole center to hole center for two of the same hardware SKU
P = Minimum distance from hole center to hole center for two different hardware SKUs, see our Hardware Guidelines
Stainless Steel: 304, 316
| SKU | FH4-440-8 |
| Thread Size | 440 |
| Hole size in sheet +0.003″/-0.000″ (H) | .111″ |
| Minimum sheet thickness | .040″ |
| Maximum sheet thickness | .375″ |
| Fastener material | 400 Stainless Steel |
| Minimum distance hole C/L to edge (K) or bend (N) | .250″ |
| Minimum C/L to C/L distance between two of the same hardware SKU (M) | .306″ |
| Recommended panel material | Stainless Steel |
| Coating type | Passivated |
| Length | .500″ |
| 304 Stainless Steel material ranges | 0.048″-0.375″ |
| 316 Stainless Steel material ranges | 0.060″-0.250″ |
We proudly use hardware by PEM. To confirm specifications not listed here, search for the SKU in PEM’s hardware catalog.
H = Hole size in sheet (+0.003”/-0.000”)
J = Bend allowance (find with Bend Calculator)
K = Minimum distance from center of hole to cut edge
N = Minimum distance from center of hole to edge of bend allowance area (J)
M = Minimum distance from hole center to hole center for two of the same hardware SKU
P = Minimum distance from hole center to hole center for two different hardware SKUs, see our Hardware Guidelines
Aluminum: 5052, 6061, 7075 Steel: Mild, G90
| SKU | FH-440-10 |
| Thread Size | 4-40 |
| Hole size in sheet +0.003″/-0.000″ (H) | .113″ |
| Minimum sheet thickness | .040″ |
| Maximum sheet thickness | .500″ |
| Fastener material | Carbon Steel |
| Minimum distance hole C/L to edge (K) or bend (N) | .250″ |
| Minimum C/L to C/L distance between two of the same hardware SKU (M) | .308″ |
| Recommended panel material | Steel/Aluminum |
| Coating type | Zinc |
| Length | .625″ |
| Aluminum material ranges (5052, 6061, 7075) | 0.040″-0.250″ |
| Steel material ranges (CRS, HRPO, HR) | 0.048″-0.250″ |
We proudly use hardware by PEM. To confirm specifications not listed here, search for the SKU in PEM’s hardware catalog.
H = Hole size in sheet (+0.003”/-0.000”)
J = Bend allowance (find with Bend Calculator)
K = Minimum distance from center of hole to cut edge
N = Minimum distance from center of hole to edge of bend allowance area (J)
M = Minimum distance from hole center to hole center for two of the same hardware SKU
P = Minimum distance from hole center to hole center for two different hardware SKUs, see our Hardware Guidelines
Stainless Steel: 304, 316
| SKU | FH4-440-10 |
| Thread Size | 440 |
| Hole size in sheet +0.003″/-0.000″ (H) | .111″ |
| Minimum sheet thickness | .040″ |
| Maximum sheet thickness | .500″ |
| Fastener material | 400 Stainless Steel |
| Minimum distance hole C/L to edge (K) or bend (N) | .250″ |
| Minimum C/L to C/L distance between two of the same hardware SKU (M) | .306″ |
| Recommended panel material | Stainless Steel |
| Coating type | Passivated |
| Length | .625″ |
| 304 Stainless Steel material ranges | 0.048″-0.500″ |
| 316 Stainless Steel material ranges | 0.060″-0.250″ |
We proudly use hardware by PEM. To confirm specifications not listed here, search for the SKU in PEM’s hardware catalog.
H = Hole size in sheet (+0.003”/-0.000”)
J = Bend allowance (find with Bend Calculator)
K = Minimum distance from center of hole to cut edge
N = Minimum distance from center of hole to edge of bend allowance area (J)
M = Minimum distance from hole center to hole center for two of the same hardware SKU
P = Minimum distance from hole center to hole center for two different hardware SKUs, see our Hardware Guidelines
Aluminum: 5052, 6061, 7075 Steel: Mild, G90
| SKU | FH-632-4 |
| Thread Size | 6-32 |
| Hole size in sheet +0.003″/-0.000″ (H) | .139″ |
| Minimum sheet thickness | 0.04″ |
| Maximum sheet thickness | .125″ |
| Fastener material | Carbon Steel |
| Minimum distance hole C/L to edge (K) or bend (N) | .250″ |
| Minimum C/L to C/L distance between two of the same hardware SKU (M) | .321″ |
| Recommended panel material | Steel/Aluminum |
| Coating type | Zinc |
| Length | .250″ |
| Aluminum material ranges (5052, 6061, 7075) | 0.040″-0.125″ |
| Steel material ranges (CRS, HRPO, HR) | 0.048″-0.119″ |
We proudly use hardware by PEM. To confirm specifications not listed here, search for the SKU in PEM’s hardware catalog.
H = Hole size in sheet (+0.003”/-0.000”)
J = Bend allowance (find with Bend Calculator)
K = Minimum distance from center of hole to cut edge
N = Minimum distance from center of hole to edge of bend allowance area (J)
M = Minimum distance from hole center to hole center for two of the same hardware SKU
P = Minimum distance from hole center to hole center for two different hardware SKUs, see our Hardware Guidelines
Stainless Steel: 304, 316
| SKU | FH4-632-4 |
| Thread Size | 6-32 |
| Hole size in sheet +0.003″/-0.000″ (H) | .137″ |
| Minimum sheet thickness | 0.04″ |
| Maximum sheet thickness | .125″ |
| Fastener material | 400 Stainless Steel |
| Minimum distance hole C/L to edge (K) or bend (N) | .250″ |
| Minimum C/L to C/L distance between two of the same hardware SKU (M) | .319″ |
| Recommended panel material | Stainless Steel |
| Coating type | Passivated |
| Length | .250″ |
| 304 Stainless Steel material ranges | 0.048″-0.125″ |
| 316 Stainless Steel material ranges | 0.060″-0.125″ |
We proudly use hardware by PEM. To confirm specifications not listed here, search for the SKU in PEM’s hardware catalog.
H = Hole size in sheet (+0.003”/-0.000”)
J = Bend allowance (find with Bend Calculator)
K = Minimum distance from center of hole to cut edge
N = Minimum distance from center of hole to edge of bend allowance area (J)
M = Minimum distance from hole center to hole center for two of the same hardware SKU
P = Minimum distance from hole center to hole center for two different hardware SKUs, see our Hardware Guidelines
Aluminum: 5052, 6061, 7075 Steel: Mild, G90
| SKU | FH-632-6 |
| Thread Size | 6-32 |
| Hole size in sheet +0.003″/-0.000″ (H) | .139″ |
| Minimum sheet thickness | 0.04″ |
| Maximum sheet thickness | .250″ |
| Fastener material | Carbon Steel |
| Minimum distance hole C/L to edge (K) or bend (N) | .250″ |
| Minimum C/L to C/L distance between two of the same hardware SKU (M) | .321″ |
| Recommended panel material | Steel/Aluminum |
| Coating type | Zinc |
| Length | .375″ |
| Aluminum material ranges (5052, 6061, 7075) | 0.040″-0.250″ |
| Steel material ranges (CRS, HRPO, HR) | 0.048″-0.250″ |
We proudly use hardware by PEM. To confirm specifications not listed here, search for the SKU in PEM’s hardware catalog.
H = Hole size in sheet (+0.003”/-0.000”)
J = Bend allowance (find with Bend Calculator)
K = Minimum distance from center of hole to cut edge
N = Minimum distance from center of hole to edge of bend allowance area (J)
M = Minimum distance from hole center to hole center for two of the same hardware SKU
P = Minimum distance from hole center to hole center for two different hardware SKUs, see our Hardware Guidelines
Stainless Steel: 304, 316
| SKU | FH4-632-6 |
| Thread Size | 6-32 |
| Hole size in sheet +0.003″/-0.000″ (H) | .137″ |
| Minimum sheet thickness | 0.04″ |
| Maximum sheet thickness | .250″ |
| Fastener material | 400 Stainless Steel |
| Minimum distance hole C/L to edge (K) or bend (N) | .250″ |
| Minimum C/L to C/L distance between two of the same hardware SKU (M) | .319″ |
| Recommended panel material | Stainless Steel |
| Coating type | Passivated |
| Length | .375″ |
| 304 Stainless Steel material ranges | 0.048″-0.250″ |
| 316 Stainless Steel material ranges | 0.060″-0.250″ |
We proudly use hardware by PEM. To confirm specifications not listed here, search for the SKU in PEM’s hardware catalog.
H = Hole size in sheet (+0.003”/-0.000”)
J = Bend allowance (find with Bend Calculator)
K = Minimum distance from center of hole to cut edge
N = Minimum distance from center of hole to edge of bend allowance area (J)
M = Minimum distance from hole center to hole center for two of the same hardware SKU
P = Minimum distance from hole center to hole center for two different hardware SKUs, see our Hardware Guidelines
Aluminum: 5052, 6061, 7075 Steel: Mild, G90
| SKU | FH-632-8 |
| Thread Size | 6-32 |
| Hole size in sheet +0.003″/-0.000″ (H) | .139″ |
| Minimum sheet thickness | 0.04″ |
| Maximum sheet thickness | .375″ |
| Fastener material | Carbon Steel |
| Minimum distance hole C/L to edge (K) or bend (N) | .250″ |
| Minimum C/L to C/L distance between two of the same hardware SKU (M) | .321″ |
| Recommended panel material | Steel/Aluminum |
| Coating type | Zinc |
| Length | .500″ |
| Aluminum material ranges (5052, 6061, 7075) | 0.040″-0.375″ |
| Steel material ranges (CRS, HRPO, HR) | 0.048″-0.250″ |
We proudly use hardware by PEM. To confirm specifications not listed here, search for the SKU in PEM’s hardware catalog.
H = Hole size in sheet (+0.003”/-0.000”)
J = Bend allowance (find with Bend Calculator)
K = Minimum distance from center of hole to cut edge
N = Minimum distance from center of hole to edge of bend allowance area (J)
M = Minimum distance from hole center to hole center for two of the same hardware SKU
P = Minimum distance from hole center to hole center for two different hardware SKUs, see our Hardware Guidelines
Stainless Steel: 304, 316
| SKU | FH4-632-8 |
| Thread Size | 6-32 |
| Hole size in sheet +0.003″/-0.000″ (H) | .137″ |
| Minimum sheet thickness | 0.04″ |
| Maximum sheet thickness | .375″ |
| Fastener material | 400 Stainless Steel |
| Minimum distance hole C/L to edge (K) or bend (N) | .250″ |
| Minimum C/L to C/L distance between two of the same hardware SKU (M) | .319″ |
| Recommended panel material | Stainless Steel |
| Coating type | Passivated |
| Length | .500″ |
| 304 Stainless Steel material ranges | 0.048″-0.375″ |
| 316 Stainless Steel material ranges | 0.060″-0.250″ |
We proudly use hardware by PEM. To confirm specifications not listed here, search for the SKU in PEM’s hardware catalog.
H = Hole size in sheet (+0.003”/-0.000”)
J = Bend allowance (find with Bend Calculator)
K = Minimum distance from center of hole to cut edge
N = Minimum distance from center of hole to edge of bend allowance area (J)
M = Minimum distance from hole center to hole center for two of the same hardware SKU
P = Minimum distance from hole center to hole center for two different hardware SKUs, see our Hardware Guidelines
Aluminum: 5052, 6061, 7075 Steel: Mild, G90
| SKU | FH-632-10 |
| Thread Size | 6-32 |
| Hole size in sheet +0.003″/-0.000″ (H) | .139″ |
| Minimum sheet thickness | 0.04″ |
| Maximum sheet thickness | .500″ |
| Fastener material | Carbon Steel |
| Minimum distance hole C/L to edge (K) or bend (N) | .250″ |
| Minimum C/L to C/L distance between two of the same hardware SKU (M) | .321″ |
| Recommended panel material | Steel/Aluminum |
| Coating type | Zinc |
| Length | .625″ |
| Aluminum material ranges (5052, 6061, 7075) | 0.040″-0.375″ |
| Steel material ranges (CRS, HRPO, HR) | 0.048″-0.250″ |
We proudly use hardware by PEM. To confirm specifications not listed here, search for the SKU in PEM’s hardware catalog.
H = Hole size in sheet (+0.003”/-0.000”)
J = Bend allowance (find with Bend Calculator)
K = Minimum distance from center of hole to cut edge
N = Minimum distance from center of hole to edge of bend allowance area (J)
M = Minimum distance from hole center to hole center for two of the same hardware SKU
P = Minimum distance from hole center to hole center for two different hardware SKUs, see our Hardware Guidelines
Stainless Steel: 304, 316
| SKU | FH4-632-10 |
| Thread Size | 6-32 |
| Hole size in sheet +0.003″/-0.000″ (H) | .137″ |
| Minimum sheet thickness | 0.04″ |
| Maximum sheet thickness | .500″ |
| Fastener material | 400 Stainless Steel |
| Minimum distance hole C/L to edge (K) or bend (N) | .250″ |
| Minimum C/L to C/L distance between two of the same hardware SKU (M) | .319″ |
| Recommended panel material | Stainless Steel |
| Coating type | Passivated |
| Length | .625″ |
| 304 Stainless Steel material ranges | 0.048″-0.500″ |
| 316 Stainless Steel material ranges | 0.060″-0.250″ |
We proudly use hardware by PEM. To confirm specifications not listed here, search for the SKU in PEM’s hardware catalog.
H = Hole size in sheet (+0.003”/-0.000”)
J = Bend allowance (find with Bend Calculator)
K = Minimum distance from center of hole to cut edge
N = Minimum distance from center of hole to edge of bend allowance area (J)
M = Minimum distance from hole center to hole center for two of the same hardware SKU
P = Minimum distance from hole center to hole center for two different hardware SKUs, see our Hardware Guidelines
Aluminum: 5052, 6061, 7075 Steel: Mild, G90
| SKU | FH-M3-6 |
| Thread Size | M3 x 0.5 |
| Hole size in sheet +0.003″/-0.000″ (H) | .121″ |
| Minimum sheet thickness | 0.040″ |
| Maximum sheet thickness | .111″ |
| Fastener material | Carbon Steel |
| Minimum distance hole C/L to edge (K) or bend (N) | .250″ |
| Minimum C/L to C/L distance between two of the same hardware SKU (M) | .312″ |
| Recommended panel material | Steel/Aluminum |
| Coating type | Zinc |
| Length | .236″ |
| Aluminum material ranges (5052, 6061, 7075) | 0.040″-0.100″ |
| Steel material ranges (CRS, HRPO, HR) | 0.048″-0.104″ |
We proudly use hardware by PEM. To confirm specifications not listed here, search for the SKU in PEM’s hardware catalog.
H = Hole size in sheet (+0.003”/-0.000”)
J = Bend allowance (find with Bend Calculator)
K = Minimum distance from center of hole to cut edge
N = Minimum distance from center of hole to edge of bend allowance area (J)
M = Minimum distance from hole center to hole center for two of the same hardware SKU
P = Minimum distance from hole center to hole center for two different hardware SKUs, see our Hardware Guidelines
Stainless Steel: 304, 316
| SKU | FH4-M3-6 |
| Thread Size | M3 x 0.5 |
| Hole size in sheet +0.003″/-0.000″ (H) | .118″ |
| Minimum sheet thickness | 0.039″ |
| Maximum sheet thickness | .111″ |
| Fastener material | 400 Stainless Steel |
| Minimum distance hole C/L to edge (K) or bend (N) | .250″ |
| Minimum C/L to C/L distance between two of the same hardware SKU (M) | .310″ |
| Recommended panel material | Stainless Steel |
| Coating type | Passivated |
| Length | .236″ |
| 304 Stainless Steel material ranges | 0.048″-0.100″ |
| 316 Stainless Steel material ranges | 0.060″ |
We proudly use hardware by PEM. To confirm specifications not listed here, search for the SKU in PEM’s hardware catalog.
H = Hole size in sheet (+0.003”/-0.000”)
J = Bend allowance (find with Bend Calculator)
K = Minimum distance from center of hole to cut edge
N = Minimum distance from center of hole to edge of bend allowance area (J)
M = Minimum distance from hole center to hole center for two of the same hardware SKU
P = Minimum distance from hole center to hole center for two different hardware SKUs, see our Hardware Guidelines
Aluminum: 5052, 6061, 7075 Steel: Mild, G90
| SKU | FH-M3-8 |
| Thread Size | M3 x 0.5 |
| Hole size in sheet +0.003″/-0.000″ (H) | .121″ |
| Minimum sheet thickness | 0.040″ |
| Maximum sheet thickness | .190″ |
| Fastener material | Carbon Steel |
| Minimum distance hole C/L to edge (K) or bend (N) | .250″ |
| Minimum C/L to C/L distance between two of the same hardware SKU (M) | .312″ |
| Recommended panel material | Steel/Aluminum |
| Coating type | Zinc |
| Length | .315″ |
| Aluminum material ranges (5052, 6061, 7075) | 0.040″-0.187″ |
| Steel material ranges (CRS, HRPO, HR) | 0.048″-0.187″ |
We proudly use hardware by PEM. To confirm specifications not listed here, search for the SKU in PEM’s hardware catalog.
H = Hole size in sheet (+0.003”/-0.000”)
J = Bend allowance (find with Bend Calculator)
K = Minimum distance from center of hole to cut edge
N = Minimum distance from center of hole to edge of bend allowance area (J)
M = Minimum distance from hole center to hole center for two of the same hardware SKU
P = Minimum distance from hole center to hole center for two different hardware SKUs, see our Hardware Guidelines
Stainless Steel: 304, 316
| SKU | FH4-M3-8 |
| Thread Size | M3 x 0.5 |
| Hole size in sheet +0.003″/-0.000″ (H) | .118″ |
| Minimum sheet thickness | 0.039″ |
| Maximum sheet thickness | .190″ |
| Fastener material | 400 Stainless Steel |
| Minimum distance hole C/L to edge (K) or bend (N) | .250″ |
| Minimum C/L to C/L distance between two of the same hardware SKU (M) | .310″ |
| Recommended panel material | Stainless Steel |
| Coating type | Passivated |
| Length | .315″ |
| 304 Stainless Steel material ranges | 0.048″-0.187″ |
| 316 Stainless Steel material ranges | 0.060″-0.187″ |
We proudly use hardware by PEM. To confirm specifications not listed here, search for the SKU in PEM’s hardware catalog.
H = Hole size in sheet (+0.003”/-0.000”)
J = Bend allowance (find with Bend Calculator)
K = Minimum distance from center of hole to cut edge
N = Minimum distance from center of hole to edge of bend allowance area (J)
M = Minimum distance from hole center to hole center for two of the same hardware SKU
P = Minimum distance from hole center to hole center for two different hardware SKUs, see our Hardware Guidelines
Aluminum: 5052, 6061, 7075 Steel: Mild, G90
| SKU | FH-M3-10 |
| Thread Size | M3 x 0.5 |
| Hole size in sheet +0.003″/-0.000″ (H) | .121″ |
| Minimum sheet thickness | 0.040″ |
| Maximum sheet thickness | .268″ |
| Fastener material | Carbon Steel |
| Minimum distance hole C/L to edge (K) or bend (N) | .250″ |
| Minimum C/L to C/L distance between two of the same hardware SKU (M) | .312″ |
| Recommended panel material | Steel/Aluminum |
| Coating type | Zinc |
| Length | .393″ |
| Aluminum material ranges (5052, 6061, 7075) | 0.040″-0.250″ |
| Steel material ranges (CRS, HRPO, HR) | 0.048″-0.250″ |
We proudly use hardware by PEM. To confirm specifications not listed here, search for the SKU in PEM’s hardware catalog.
H = Hole size in sheet (+0.003”/-0.000”)
J = Bend allowance (find with Bend Calculator)
K = Minimum distance from center of hole to cut edge
N = Minimum distance from center of hole to edge of bend allowance area (J)
M = Minimum distance from hole center to hole center for two of the same hardware SKU
P = Minimum distance from hole center to hole center for two different hardware SKUs, see our Hardware Guidelines
Stainless Steel: 304, 316
| SKU | FH4-M3-10 |
| Thread Size | M3 x 0.5 |
| Hole size in sheet +0.003″/-0.000″ (H) | .118″ |
| Minimum sheet thickness | 0.039″ |
| Maximum sheet thickness | .269″ |
| Fastener material | 400 Stainless Steel |
| Minimum distance hole C/L to edge (K) or bend (N) | .250″ |
| Minimum C/L to C/L distance between two of the same hardware SKU (M) | .310″ |
| Recommended panel material | Stainless Steel |
| Coating type | Passivated |
| Length | .393″ |
| 304 Stainless Steel material ranges | 0.048″-0.250″ |
| 316 Stainless Steel material ranges | 0.060″-0.250″ |
We proudly use hardware by PEM. To confirm specifications not listed here, search for the SKU in PEM’s hardware catalog.
H = Hole size in sheet (+0.003”/-0.000”)
J = Bend allowance (find with Bend Calculator)
K = Minimum distance from center of hole to cut edge
N = Minimum distance from center of hole to edge of bend allowance area (J)
M = Minimum distance from hole center to hole center for two of the same hardware SKU
P = Minimum distance from hole center to hole center for two different hardware SKUs, see our Hardware Guidelines
Aluminum: 5052, 6061, 7075 Steel: Mild, G90
| SKU | FH-M3-12 |
| Thread Size | M3 x 0.5 |
| Hole size in sheet +0.003″/-0.000″ (H) | .121″ |
| Minimum sheet thickness | 0.040″ |
| Maximum sheet thickness | .347″ |
| Fastener material | Carbon Steel |
| Minimum distance hole C/L to edge (K) or bend (N) | .250″ |
| Minimum C/L to C/L distance between two of the same hardware SKU (M) | .312″ |
| Recommended panel material | Steel/Aluminum |
| Coating type | Zinc |
| Length | .472″ |
| Aluminum material ranges (5052, 6061, 7075) | 0.040″-0.250″ |
| Steel material ranges (CRS, HRPO, HR) | 0.048″-0.250″ |
We proudly use hardware by PEM. To confirm specifications not listed here, search for the SKU in PEM’s hardware catalog.
H = Hole size in sheet (+0.003”/-0.000”)
J = Bend allowance (find with Bend Calculator)
K = Minimum distance from center of hole to cut edge
N = Minimum distance from center of hole to edge of bend allowance area (J)
M = Minimum distance from hole center to hole center for two of the same hardware SKU
P = Minimum distance from hole center to hole center for two different hardware SKUs, see our Hardware Guidelines
Stainless Steel: 304, 316
| SKU | FH4-M3-12 |
| Thread Size | M3 x 0.5 |
| Hole size in sheet +0.003″/-0.000″ (H) | .118″ |
| Minimum sheet thickness | 0.39″ |
| Maximum sheet thickness | .347″ |
| Fastener material | 400 Stainless Steel |
| Minimum distance hole C/L to edge (K) or bend (N) | .250″ |
| Minimum C/L to C/L distance between two of the same hardware SKU (M) | .310″ |
| Recommended panel material | Stainless Steel |
| Coating type | Passivated |
| Length | .472″ |
| 304 Stainless Steel material ranges | 0.048″-0.250″ |
| 316 Stainless Steel material ranges | 0.060″-0.250″ |
We proudly use hardware by PEM. To confirm specifications not listed here, search for the SKU in PEM’s hardware catalog.
H = Hole size in sheet (+0.003”/-0.000”)
J = Bend allowance (find with Bend Calculator)
K = Minimum distance from center of hole to cut edge
N = Minimum distance from center of hole to edge of bend allowance area (J)
M = Minimum distance from hole center to hole center for two of the same hardware SKU
P = Minimum distance from hole center to hole center for two different hardware SKUs, see our Hardware Guidelines
Aluminum: 5052, 6061, 7075 Steel: Mild, G90
| SKU | FH-M4-6 |
| Thread Size | M4 x 0.7 |
| Hole size in sheet +0.003″/-0.000″ (H) | .159″ |
| Minimum sheet thickness | 0.040″ |
| Maximum sheet thickness | .111″ |
| Fastener material | Carbon Steel |
| Minimum distance hole C/L to edge (K) or bend (N) | .283″ |
| Minimum C/L to C/L distance between two of the same hardware SKU (M) | .364″ |
| Recommended panel material | Steel/Aluminum |
| Coating type | Zinc |
| Length | .236″ |
| Aluminum material ranges (5052, 6061, 7075) | 0.040″-0.100″ |
| Steel material ranges (CRS, HRPO, HR) | 0.048″-0.104″ |
We proudly use hardware by PEM. To confirm specifications not listed here, search for the SKU in PEM’s hardware catalog.
H = Hole size in sheet (+0.003”/-0.000”)
J = Bend allowance (find with Bend Calculator)
K = Minimum distance from center of hole to cut edge
N = Minimum distance from center of hole to edge of bend allowance area (J)
M = Minimum distance from hole center to hole center for two of the same hardware SKU
P = Minimum distance from hole center to hole center for two different hardware SKUs, see our Hardware Guidelines
Stainless Steel: 304, 316
| SKU | FH4-M4-6 |
| Thread Size | M4 x 0.7 |
| Hole size in sheet +0.003″/-0.000″ (H) | .157″ |
| Minimum sheet thickness | 0.039″ |
| Maximum sheet thickness | .111″ |
| Fastener material | 400 Stainless Steel |
| Minimum distance hole C/L to edge (K) or bend (N) | .283″ |
| Minimum C/L to C/L distance between two of the same hardware SKU (M) | .362″ |
| Recommended panel material | Stainless Steel |
| Coating type | Passivated |
| Length | .236″ |
| 304 Stainless Steel material ranges | 0.048″-0.100″ |
| 316 Stainless Steel material ranges | 0.060″ |
We proudly use hardware by PEM. To confirm specifications not listed here, search for the SKU in PEM’s hardware catalog.
H = Hole size in sheet (+0.003”/-0.000”)
J = Bend allowance (find with Bend Calculator)
K = Minimum distance from center of hole to cut edge
N = Minimum distance from center of hole to edge of bend allowance area (J)
M = Minimum distance from hole center to hole center for two of the same hardware SKU
P = Minimum distance from hole center to hole center for two different hardware SKUs, see our Hardware Guidelines
Aluminum: 5052, 6061, 7075 Steel: Mild, G90
| SKU | FH-M4-8 |
| Thread Size | M4 x 0.7 |
| Hole size in sheet +0.003″/-0.000″ (H) | .159″ |
| Minimum sheet thickness | 0.040″ |
| Maximum sheet thickness | .190″ |
| Fastener material | Carbon Steel |
| Minimum distance hole C/L to edge (K) or bend (N) | .283″ |
| Minimum C/L to C/L distance between two of the same hardware SKU (M) | .364″ |
| Recommended panel material | Steel/Aluminum |
| Coating type | Zinc |
| Length | .315″ |
| Aluminum material ranges (5052, 6061, 7075) | 0.040″-0.187″ |
| Steel material ranges (CRS, HRPO, HR) | 0.048″-0.187″ |
We proudly use hardware by PEM. To confirm specifications not listed here, search for the SKU in PEM’s hardware catalog.
H = Hole size in sheet (+0.003”/-0.000”)
J = Bend allowance (find with Bend Calculator)
K = Minimum distance from center of hole to cut edge
N = Minimum distance from center of hole to edge of bend allowance area (J)
M = Minimum distance from hole center to hole center for two of the same hardware SKU
P = Minimum distance from hole center to hole center for two different hardware SKUs, see our Hardware Guidelines
Stainless Steel: 304, 316
| SKU | FH4-M4-8 |
| Thread Size | M4 x 0.7 |
| Hole size in sheet +0.003″/-0.000″ (H) | .157″ |
| Minimum sheet thickness | 0.039″ |
| Maximum sheet thickness | .190″ |
| Fastener material | 400 Stainless Steel |
| Minimum distance hole C/L to edge (K) or bend (N) | .283″ |
| Minimum C/L to C/L distance between two of the same hardware SKU (M) | .362″ |
| Recommended panel material | Stainless Steel |
| Coating type | Passivated |
| Length | .315″ |
| 304 Stainless Steel material ranges | 0.048″-0.250″ |
| 316 Stainless Steel material ranges | 0.060″-0.250″ |
We proudly use hardware by PEM. To confirm specifications not listed here, search for the SKU in PEM’s hardware catalog.
H = Hole size in sheet (+0.003”/-0.000”)
J = Bend allowance (find with Bend Calculator)
K = Minimum distance from center of hole to cut edge
N = Minimum distance from center of hole to edge of bend allowance area (J)
M = Minimum distance from hole center to hole center for two of the same hardware SKU
P = Minimum distance from hole center to hole center for two different hardware SKUs, see our Hardware Guidelines
Aluminum: 5052, 6061, 7075 Steel: Mild, G90
| SKU | FH-M4-10 |
| Thread Size | M4 x 0.7 |
| Hole size in sheet +0.003″/-0.000″ (H) | .159″ |
| Minimum sheet thickness | 0.040″ |
| Maximum sheet thickness | .268″ |
| Fastener material | Carbon Steel |
| Minimum distance hole C/L to edge (K) or bend (N) | .283″ |
| Minimum C/L to C/L distance between two of the same hardware SKU (M) | .364″ |
| Recommended panel material | Steel/Aluminum |
| Coating type | Zinc |
| Length | .393″ |
| Aluminum material ranges (5052, 6061, 7075) | 0.040″-0.250″ |
| Steel material ranges (CRS, HRPO, HR) | 0.048″-0.250″ |
We proudly use hardware by PEM. To confirm specifications not listed here, search for the SKU in PEM’s hardware catalog.
H = Hole size in sheet (+0.003”/-0.000”)
J = Bend allowance (find with Bend Calculator)
K = Minimum distance from center of hole to cut edge
N = Minimum distance from center of hole to edge of bend allowance area (J)
M = Minimum distance from hole center to hole center for two of the same hardware SKU
P = Minimum distance from hole center to hole center for two different hardware SKUs, see our Hardware Guidelines
Stainless Steel: 304, 316
| SKU | FH4-M4-10 |
| Thread Size | M4 x 0.7 |
| Hole size in sheet +0.003″/-0.000″ (H) | .157″ |
| Minimum sheet thickness | 0.039″ |
| Maximum sheet thickness | .269″ |
| Fastener material | 400 Stainless Steel |
| Minimum distance hole C/L to edge (K) or bend (N) | .283″ |
| Minimum C/L to C/L distance between two of the same hardware SKU (M) | .362″ |
| Recommended panel material | Stainless Steel |
| Coating type | Passivated |
| Length | .393″ |
| 304 Stainless Steel material ranges | 0.048″-0.250″ |
| 316 Stainless Steel material ranges | 0.060″-0.250″ |
We proudly use hardware by PEM. To confirm specifications not listed here, search for the SKU in PEM’s hardware catalog.
H = Hole size in sheet (+0.003”/-0.000”)
J = Bend allowance (find with Bend Calculator)
K = Minimum distance from center of hole to cut edge
N = Minimum distance from center of hole to edge of bend allowance area (J)
M = Minimum distance from hole center to hole center for two of the same hardware SKU
P = Minimum distance from hole center to hole center for two different hardware SKUs, see our Hardware Guidelines
Aluminum: 5052, 6061, 7075 Steel: Mild, G90
| SKU | FH-M4-12 |
| Thread Size | M4 x 0.7 |
| Hole size in sheet +0.003″/-0.000″ (H) | .159″ |
| Minimum sheet thickness | 0.040″ |
| Maximum sheet thickness | .347″ |
| Fastener material | Carbon Steel |
| Minimum distance hole C/L to edge (K) or bend (N) | .283″ |
| Minimum C/L to C/L distance between two of the same hardware SKU (M) | .364″ |
| Recommended panel material | Steel/Aluminum |
| Coating type | Zinc |
| Length | .472″ |
| Aluminum material ranges (5052, 6061, 7075) | 0.040″-0.250″ |
| Steel material ranges (CRS, HRPO, HR) | 0.048″-0.250″ |
We proudly use hardware by PEM. To confirm specifications not listed here, search for the SKU in PEM’s hardware catalog.
H = Hole size in sheet (+0.003”/-0.000”)
J = Bend allowance (find with Bend Calculator)
K = Minimum distance from center of hole to cut edge
N = Minimum distance from center of hole to edge of bend allowance area (J)
M = Minimum distance from hole center to hole center for two of the same hardware SKU
P = Minimum distance from hole center to hole center for two different hardware SKUs, see our Hardware Guidelines
Stainless Steel: 304, 316
| SKU | FH4-M4-12 |
| Thread Size | M4 x 0.7 |
| Hole size in sheet +0.003″/-0.000″ (H) | .157″ |
| Minimum sheet thickness | 0.39″ |
| Maximum sheet thickness | .347″ |
| Fastener material | 400 Stainless Steel |
| Minimum distance hole C/L to edge (K) or bend (N) | .283″ |
| Minimum C/L to C/L distance between two of the same hardware SKU (M) | .362″ |
| Recommended panel material | Stainless Steel |
| Coating type | Passivated |
| Length | .472″ |
| 304 Stainless Steel material ranges | 0.048″-0.250″ |
| 316 Stainless Steel material ranges | 0.060″-0.250″ |
We proudly use hardware by PEM. To confirm specifications not listed here, search for the SKU in PEM’s hardware catalog.
H = Hole size in sheet (+0.003”/-0.000”)
J = Bend allowance (find with Bend Calculator)
K = Minimum distance from center of hole to cut edge
N = Minimum distance from center of hole to edge of bend allowance area (J)
M = Minimum distance from hole center to hole center for two of the same hardware SKU
P = Minimum distance from hole center to hole center for two different hardware SKUs, see our Hardware Guidelines
Aluminum: 5052, 6061, 7075 Steel: Mild, G90
| SKU | FH-832-4 |
| Thread Size | 8-32 |
| Hole size in sheet +0.003″/-0.000″ (H) | .165″ |
| Minimum sheet thickness | 0.04″ |
| Maximum sheet thickness | .125″ |
| Fastener material | Carbon Steel |
| Minimum distance hole C/L to edge (K) or bend (N) | .281″ |
| Minimum C/L to C/L distance between two of the same hardware SKU (M) | .365″ |
| Recommended panel material | Steel/Aluminum |
| Coating type | Zinc |
| Length | .250″ |
| Aluminum material ranges (5052, 6061, 7075) | 0.040″-0.125″ |
| Steel material ranges (CRS, HRPO, HR) | 0.048″-0.119″ |
We proudly use hardware by PEM. To confirm specifications not listed here, search for the SKU in PEM’s hardware catalog.
H = Hole size in sheet (+0.003”/-0.000”)
J = Bend allowance (find with Bend Calculator)
K = Minimum distance from center of hole to cut edge
N = Minimum distance from center of hole to edge of bend allowance area (J)
M = Minimum distance from hole center to hole center for two of the same hardware SKU
P = Minimum distance from hole center to hole center for two different hardware SKUs, see our Hardware Guidelines
Stainless Steel: 304, 316
| SKU | FH4-832-4 |
| Thread Size | 8-32 |
| Hole size in sheet +0.003″/-0.000″ (H) | .163″ |
| Minimum sheet thickness | 0.04″ |
| Maximum sheet thickness | .125″ |
| Fastener material | 400 Stainless Steel |
| Minimum distance hole C/L to edge (K) or bend (N) | .281″ |
| Minimum C/L to C/L distance between two of the same hardware SKU (M) | .363″ |
| Recommended panel material | Stainless Steel |
| Coating type | Passivated |
| Length | .250″ |
| 304 Stainless Steel material ranges | 0.048″-0.125″ |
| 316 Stainless Steel material ranges | 0.060″-0.125″ |
We proudly use hardware by PEM. To confirm specifications not listed here, search for the SKU in PEM’s hardware catalog.
H = Hole size in sheet (+0.003”/-0.000”)
J = Bend allowance (find with Bend Calculator)
K = Minimum distance from center of hole to cut edge
N = Minimum distance from center of hole to edge of bend allowance area (J)
M = Minimum distance from hole center to hole center for two of the same hardware SKU
P = Minimum distance from hole center to hole center for two different hardware SKUs, see our Hardware Guidelines
Aluminum: 5052, 6061, 7075 Steel: Mild, G90
| SKU | FH-832-6 |
| Thread Size | 8-32 |
| Hole size in sheet +0.003″/-0.000″ (H) | .165″ |
| Minimum sheet thickness | 0.04″ |
| Maximum sheet thickness | .250″ |
| Fastener material | Carbon Steel |
| Minimum distance hole C/L to edge (K) or bend (N) | .281″ |
| Minimum C/L to C/L distance between two of the same hardware SKU (M) | .365″ |
| Recommended panel material | Steel/Aluminum |
| Coating type | Zinc |
| Length | .375″ |
| Aluminum material ranges (5052, 6061, 7075) | 0.040″-0.250″ |
| Steel material ranges (CRS, HRPO, HR) | 0.048″-0.250″ |
We proudly use hardware by PEM. To confirm specifications not listed here, search for the SKU in PEM’s hardware catalog.
H = Hole size in sheet (+0.003”/-0.000”)
J = Bend allowance (find with Bend Calculator)
K = Minimum distance from center of hole to cut edge
N = Minimum distance from center of hole to edge of bend allowance area (J)
M = Minimum distance from hole center to hole center for two of the same hardware SKU
P = Minimum distance from hole center to hole center for two different hardware SKUs, see our Hardware Guidelines
Stainless Steel: 304, 316
| SKU | FH4-832-6 |
| Thread Size | 8-32 |
| Hole size in sheet +0.003″/-0.000″ (H) | .163″ |
| Minimum sheet thickness | 0.04″ |
| Maximum sheet thickness | .250″ |
| Fastener material | 400 Stainless Steel |
| Minimum distance hole C/L to edge (K) or bend (N) | .281″ |
| Minimum C/L to C/L distance between two of the same hardware SKU (M) | .363″ |
| Recommended panel material | Stainless Steel |
| Coating type | Passivated |
| Length | .375″ |
| 304 Stainless Steel material ranges | 0.048″-0.250″ |
| 316 Stainless Steel material ranges | 0.060″-0.250″ |
We proudly use hardware by PEM. To confirm specifications not listed here, search for the SKU in PEM’s hardware catalog.
H = Hole size in sheet (+0.003”/-0.000”)
J = Bend allowance (find with Bend Calculator)
K = Minimum distance from center of hole to cut edge
N = Minimum distance from center of hole to edge of bend allowance area (J)
M = Minimum distance from hole center to hole center for two of the same hardware SKU
P = Minimum distance from hole center to hole center for two different hardware SKUs, see our Hardware Guidelines
Aluminum: 5052, 6061, 7075 Steel: Mild, G90
| SKU | FH-832-8 |
| Thread Size | 8-32 |
| Hole size in sheet +0.003″/-0.000″ (H) | .165″ |
| Minimum sheet thickness | 0.04″ |
| Maximum sheet thickness | .375″ |
| Fastener material | Carbon Steel |
| Minimum distance hole C/L to edge (K) or bend (N) | .281″ |
| Minimum C/L to C/L distance between two of the same hardware SKU (M) | .365″ |
| Recommended panel material | Steel/Aluminum |
| Coating type | Zinc |
| Length | .500″ |
| Aluminum material ranges (5052, 6061, 7075) | 0.040″-0.375″ |
| Steel material ranges (CRS, HRPO, HR) | 0.048″-0.250″ |
We proudly use hardware by PEM. To confirm specifications not listed here, search for the SKU in PEM’s hardware catalog.
H = Hole size in sheet (+0.003”/-0.000”)
J = Bend allowance (find with Bend Calculator)
K = Minimum distance from center of hole to cut edge
N = Minimum distance from center of hole to edge of bend allowance area (J)
M = Minimum distance from hole center to hole center for two of the same hardware SKU
P = Minimum distance from hole center to hole center for two different hardware SKUs, see our Hardware Guidelines
Stainless Steel: 304, 316
| SKU | FH4-832-8 |
| Thread Size | 8-32 |
| Hole size in sheet +0.003″/-0.000″ (H) | .163″ |
| Minimum sheet thickness | 0.04″ |
| Maximum sheet thickness | .375″ |
| Fastener material | 400 Stainless Steel |
| Minimum distance hole C/L to edge (K) or bend (N) | .281″ |
| Minimum C/L to C/L distance between two of the same hardware SKU (M) | .363″ |
| Recommended panel material | Stainless Steel |
| Coating type | Passivated |
| Length | .500″ |
| 304 Stainless Steel material ranges | 0.048″-0.375″ |
| 316 Stainless Steel material ranges | 0.060″-0.250″ |
We proudly use hardware by PEM. To confirm specifications not listed here, search for the SKU in PEM’s hardware catalog.
H = Hole size in sheet (+0.003”/-0.000”)
J = Bend allowance (find with Bend Calculator)
K = Minimum distance from center of hole to cut edge
N = Minimum distance from center of hole to edge of bend allowance area (J)
M = Minimum distance from hole center to hole center for two of the same hardware SKU
P = Minimum distance from hole center to hole center for two different hardware SKUs, see our Hardware Guidelines
Aluminum: 5052, 6061, 7075 Steel: Mild, G90
| SKU | FH-832-10 |
| Thread Size | 8-32 |
| Hole size in sheet +0.003″/-0.000″ (H) | .165″ |
| Minimum sheet thickness | 0.04″ |
| Maximum sheet thickness | .500″ |
| Fastener material | Carbon Steel |
| Minimum distance hole C/L to edge (K) or bend (N) | .281″ |
| Minimum C/L to C/L distance between two of the same hardware SKU (M) | .365″ |
| Recommended panel material | Steel/Aluminum |
| Coating type | Zinc |
| Length | .625″ |
| Aluminum material ranges (5052, 6061, 7075) | 0.040″-0.375″ |
| Steel material ranges (CRS, HRPO, HR) | 0.048″-0.250″ |
We proudly use hardware by PEM. To confirm specifications not listed here, search for the SKU in PEM’s hardware catalog.
H = Hole size in sheet (+0.003”/-0.000”)
J = Bend allowance (find with Bend Calculator)
K = Minimum distance from center of hole to cut edge
N = Minimum distance from center of hole to edge of bend allowance area (J)
M = Minimum distance from hole center to hole center for two of the same hardware SKU
P = Minimum distance from hole center to hole center for two different hardware SKUs, see our Hardware Guidelines
Stainless Steel: 304, 316
| SKU | FH4-832-10 |
| Thread Size | 8-32 |
| Hole size in sheet +0.003″/-0.000″ (H) | .163″ |
| Minimum sheet thickness | 0.04″ |
| Maximum sheet thickness | .500″ |
| Fastener material | 400 Stainless Steel |
| Minimum distance hole C/L to edge (K) or bend (N) | .281″ |
| Minimum C/L to C/L distance between two of the same hardware SKU (M) | .363″ |
| Recommended panel material | Stainless Steel |
| Coating type | Passivated |
| Length | .625″ |
| 304 Stainless Steel material ranges | 0.048″-0.500″ |
| 316 Stainless Steel material ranges | 0.060″-0.250″ |
We proudly use hardware by PEM. To confirm specifications not listed here, search for the SKU in PEM’s hardware catalog.
H = Hole size in sheet (+0.003”/-0.000”)
J = Bend allowance (find with Bend Calculator)
K = Minimum distance from center of hole to cut edge
N = Minimum distance from center of hole to edge of bend allowance area (J)
M = Minimum distance from hole center to hole center for two of the same hardware SKU
P = Minimum distance from hole center to hole center for two different hardware SKUs, see our Hardware Guidelines
Aluminum: 5052, 6061, 7075 Steel: Mild, G90
| SKU | FH-M5-8 |
| Thread Size | M5 x 0.8 |
| Hole size in sheet +0.003″/-0.000″ (H) | .198″ |
| Minimum sheet thickness | 0.040″ |
| Maximum sheet thickness | .190″ |
| Fastener material | Carbon Steel |
| Minimum distance hole C/L to edge (K) or bend (N) | .283″ |
| Minimum C/L to C/L distance between two of the same hardware SKU (M) | .384″ |
| Recommended panel material | Steel/Aluminum |
| Coating type | Zinc |
| Length | .315″ |
| Aluminum material ranges (5052, 6061, 7075) | 0.040″-0.187″ |
| Steel material ranges (CRS, HRPO, HR) | 0.048″-0.187″ |
We proudly use hardware by PEM. To confirm specifications not listed here, search for the SKU in PEM’s hardware catalog.
H = Hole size in sheet (+0.003”/-0.000”)
J = Bend allowance (find with Bend Calculator)
K = Minimum distance from center of hole to cut edge
N = Minimum distance from center of hole to edge of bend allowance area (J)
M = Minimum distance from hole center to hole center for two of the same hardware SKU
P = Minimum distance from hole center to hole center for two different hardware SKUs, see our Hardware Guidelines
Stainless Steel: 304, 316
| SKU | FH4-M5-8 |
| Thread Size | M5 x 0.8 |
| Hole size in sheet +0.003″/-0.000″ (H) | .197″ |
| Minimum sheet thickness | 0.039″ |
| Maximum sheet thickness | .190″ |
| Fastener material | 400 Stainless Steel |
| Minimum distance hole C/L to edge (K) or bend (N) | .283″ |
| Minimum C/L to C/L distance between two of the same hardware SKU (M) | .382″ |
| Recommended panel material | Stainless Steel |
| Coating type | Passivated |
| Length | .315″ |
| 304 Stainless Steel material ranges | 0.048″-0.187″ |
| 316 Stainless Steel material ranges | 0.060″-0.187″ |
We proudly use hardware by PEM. To confirm specifications not listed here, search for the SKU in PEM’s hardware catalog.
H = Hole size in sheet (+0.003”/-0.000”)
J = Bend allowance (find with Bend Calculator)
K = Minimum distance from center of hole to cut edge
N = Minimum distance from center of hole to edge of bend allowance area (J)
M = Minimum distance from hole center to hole center for two of the same hardware SKU
P = Minimum distance from hole center to hole center for two different hardware SKUs, see our Hardware Guidelines
Aluminum: 5052, 6061, 7075 Steel: Mild, G90
| SKU | FH-M5-10 |
| Thread Size | M5 x 0.8 |
| Hole size in sheet +0.003″/-0.000″ (H) | .198″ |
| Minimum sheet thickness | 0.040″ |
| Maximum sheet thickness | .268″ |
| Fastener material | Carbon Steel |
| Minimum distance hole C/L to edge (K) or bend (N) | .283″ |
| Minimum C/L to C/L distance between two of the same hardware SKU (M) | .384″ |
| Recommended panel material | Steel/Aluminum |
| Coating type | Zinc |
| Length | .393″ |
| Aluminum material ranges (5052, 6061, 7075) | 0.040″-0.250″ |
| Steel material ranges (CRS, HRPO, HR) | 0.048″-0.250″ |
We proudly use hardware by PEM. To confirm specifications not listed here, search for the SKU in PEM’s hardware catalog.
H = Hole size in sheet (+0.003”/-0.000”)
J = Bend allowance (find with Bend Calculator)
K = Minimum distance from center of hole to cut edge
N = Minimum distance from center of hole to edge of bend allowance area (J)
M = Minimum distance from hole center to hole center for two of the same hardware SKU
P = Minimum distance from hole center to hole center for two different hardware SKUs, see our Hardware Guidelines
Stainless Steel: 304, 316
| SKU | FH4-M5-10 |
| Thread Size | M5 x 0.8 |
| Hole size in sheet +0.003″/-0.000″ (H) | .197″ |
| Minimum sheet thickness | 0.39″ |
| Maximum sheet thickness | .269″ |
| Fastener material | 400 Stainless Steel |
| Minimum distance hole C/L to edge (K) or bend (N) | .283″ |
| Minimum C/L to C/L distance between two of the same hardware SKU (M) | .382″ |
| Recommended panel material | Stainless Steel |
| Coating type | Passivated |
| Length | .394″ |
| 304 Stainless Steel material ranges | 0.048″-0.250″ |
| 316 Stainless Steel material ranges | 0.060″-0.250″ |
We proudly use hardware by PEM. To confirm specifications not listed here, search for the SKU in PEM’s hardware catalog.
H = Hole size in sheet (+0.003”/-0.000”)
J = Bend allowance (find with Bend Calculator)
K = Minimum distance from center of hole to cut edge
N = Minimum distance from center of hole to edge of bend allowance area (J)
M = Minimum distance from hole center to hole center for two of the same hardware SKU
P = Minimum distance from hole center to hole center for two different hardware SKUs, see our Hardware Guidelines
Aluminum: 5052, 6061, 7075 Steel: Mild, G90
| SKU | FH-M5-12 |
| Thread Size | M5 x 0.8 |
| Hole size in sheet +0.003″/-0.000″ (H) | .198″ |
| Minimum sheet thickness | 0.040″ |
| Maximum sheet thickness | .347″ |
| Fastener material | Carbon Steel |
| Minimum distance hole C/L to edge (K) or bend (N) | .283″ |
| Minimum C/L to C/L distance between two of the same hardware SKU (M) | .384″ |
| Recommended panel material | Steel/Aluminum |
| Coating type | Zinc |
| Length | .472″ |
| Aluminum material ranges (5052, 6061, 7075) | 0.040″-0.250″ |
| Steel material ranges (CRS, HRPO, HR) | 0.048″-0.250″ |
We proudly use hardware by PEM. To confirm specifications not listed here, search for the SKU in PEM’s hardware catalog.
H = Hole size in sheet (+0.003”/-0.000”)
J = Bend allowance (find with Bend Calculator)
K = Minimum distance from center of hole to cut edge
N = Minimum distance from center of hole to edge of bend allowance area (J)
M = Minimum distance from hole center to hole center for two of the same hardware SKU
P = Minimum distance from hole center to hole center for two different hardware SKUs, see our Hardware Guidelines
Stainless Steel: 304, 316
| SKU | FH-M5-12 |
| Thread Size | M5 x 0.8 |
| Hole size in sheet +0.003″/-0.000″ (H) | .197″ |
| Minimum sheet thickness | 0.04″ |
| Maximum sheet thickness | .347″ |
| Fastener material | 400 SST |
| Minimum distance hole C/L to edge (K) or bend (N) | .283″ |
| Minimum C/L to C/L distance between two of the same hardware SKU (M) | .382″ |
| Recommended panel material | Stainless Steel |
| Coating type | Zinc |
| Length | .472″ |
| 304 Stainless Steel material ranges | 0.040″-0.250″ |
| 316 Stainless Steel material ranges | 0.048″-0.250″ |
We proudly use hardware by PEM. To confirm specifications not listed here, search for the SKU in PEM’s hardware catalog.
H = Hole size in sheet (+0.003”/-0.000”)
J = Bend allowance (find with Bend Calculator)
K = Minimum distance from center of hole to cut edge
N = Minimum distance from center of hole to edge of bend allowance area (J)
M = Minimum distance from hole center to hole center for two of the same hardware SKU
P = Minimum distance from hole center to hole center for two different hardware SKUs, see our Hardware Guidelines
Aluminum: 5052, 6061, 7075 Steel: Mild, G90
| SKU | FH-032-6 |
| Thread Size | 10-32 |
| Hole size in sheet +0.003″/-0.000″ (H) | .191″ |
| Minimum sheet thickness | 0.04″ |
| Maximum sheet thickness | .250″ |
| Fastener material | Carbon Steel |
| Minimum distance hole C/L to edge (K) or bend (N) | .281″ |
| Minimum C/L to C/L distance between two of the same hardware SKU (M) | .378″ |
| Recommended panel material | Steel/Aluminum |
| Coating type | Zinc |
| Length | .375″ |
| Aluminum material ranges (5052, 6061, 7075) | 0.040″-0.250″ |
| Steel material ranges (CRS, HRPO, HR) | 0.048″-0.250″ |
We proudly use hardware by PEM. To confirm specifications not listed here, search for the SKU in PEM’s hardware catalog.
H = Hole size in sheet (+0.003”/-0.000”)
J = Bend allowance (find with Bend Calculator)
K = Minimum distance from center of hole to cut edge
N = Minimum distance from center of hole to edge of bend allowance area (J)
M = Minimum distance from hole center to hole center for two of the same hardware SKU
P = Minimum distance from hole center to hole center for two different hardware SKUs, see our Hardware Guidelines
Stainless Steel: 304, 316
| SKU | FH4-032-6 |
| Thread Size | 10-32 |
| Hole size in sheet +0.003″/-0.000″ (H) | .189″ |
| Minimum sheet thickness | 0.04″ |
| Maximum sheet thickness | .125″ |
| Fastener material | 400 Stainless Steel |
| Minimum distance hole C/L to edge (K) or bend (N) | .281″ |
| Minimum C/L to C/L distance between two of the same hardware SKU (M) | .376″ |
| Recommended panel material | Stainless Steel |
| Coating type | Passivated |
| Length | .375″ |
| 304 Stainless Steel material ranges | 0.048″-0.125″ |
| 316 Stainless Steel material ranges | 0.060″-0.125″ |
We proudly use hardware by PEM. To confirm specifications not listed here, search for the SKU in PEM’s hardware catalog.
H = Hole size in sheet (+0.003”/-0.000”)
J = Bend allowance (find with Bend Calculator)
K = Minimum distance from center of hole to cut edge
N = Minimum distance from center of hole to edge of bend allowance area (J)
M = Minimum distance from hole center to hole center for two of the same hardware SKU
P = Minimum distance from hole center to hole center for two different hardware SKUs, see our Hardware Guidelines
Aluminum: 5052, 6061, 7075 Steel: Mild, G90
| SKU | FH-032-8 |
| Thread Size | 10-32 |
| Hole size in sheet +0.003″/-0.000″ (H) | .191″ |
| Minimum sheet thickness | 0.04″ |
| Maximum sheet thickness | .375″ |
| Fastener material | Carbon Steel |
| Minimum distance hole C/L to edge (K) or bend (N) | .281″ |
| Minimum C/L to C/L distance between two of the same hardware SKU (M) | .378″ |
| Recommended panel material | Steel/Aluminum |
| Coating type | Zinc |
| Length | .500″ |
| Aluminum material ranges (5052, 6061, 7075) | 0.040″-0.375″ |
| Steel material ranges (CRS, HRPO, HR) | 0.048″-0.375″ |
We proudly use hardware by PEM. To confirm specifications not listed here, search for the SKU in PEM’s hardware catalog.
H = Hole size in sheet (+0.003”/-0.000”)
J = Bend allowance (find with Bend Calculator)
K = Minimum distance from center of hole to cut edge
N = Minimum distance from center of hole to edge of bend allowance area (J)
M = Minimum distance from hole center to hole center for two of the same hardware SKU
P = Minimum distance from hole center to hole center for two different hardware SKUs, see our Hardware Guidelines
Stainless Steel: 304, 316
| SKU | FH-032-8 |
| Thread Size | 10-32 |
| Hole size in sheet +0.003″/-0.000″ (H) | .189″ |
| Minimum sheet thickness | 0.04″ |
| Maximum sheet thickness | .375″ |
| Fastener material | 400 SST |
| Minimum distance hole C/L to edge (K) or bend (N) | .281″ |
| Minimum C/L to C/L distance between two of the same hardware SKU (M) | .376″ |
| Recommended panel material | Stainless Steel |
| Coating type | Passivated |
| Length | .500″ |
| 304 Stainless Steel material ranges | 0.040″-0.375″ |
| 316 Stainless Steel material ranges | 0.048″-0.375″ |
We proudly use hardware by PEM. To confirm specifications not listed here, search for the SKU in PEM’s hardware catalog.
H = Hole size in sheet (+0.003”/-0.000”)
J = Bend allowance (find with Bend Calculator)
K = Minimum distance from center of hole to cut edge
N = Minimum distance from center of hole to edge of bend allowance area (J)
M = Minimum distance from hole center to hole center for two of the same hardware SKU
P = Minimum distance from hole center to hole center for two different hardware SKUs, see our Hardware Guidelines
Aluminum: 5052, 6061, 7075 Steel: Mild, G90
| SKU | FH-032-10 |
| Thread Size | 10-32 |
| Hole size in sheet +0.003″/-0.000″ (H) | .191″ |
| Minimum sheet thickness | 0.04″ |
| Maximum sheet thickness | .500″ |
| Fastener material | Carbon Steel |
| Minimum distance hole C/L to edge (K) or bend (N) | 0.281″ |
| Minimum C/L to C/L distance between two of the same hardware SKU (M) | .378″ |
| Recommended panel material | Steel/Aluminum |
| Coating type | Zinc |
| Length | .625″ |
| Aluminum material ranges (5052, 6061, 7075) | 0.040″-0.500″ |
| Steel material ranges (CRS, HRPO, HR) | 0.048″-0.500″ |
We proudly use hardware by PEM. To confirm specifications not listed here, search for the SKU in PEM’s hardware catalog.
H = Hole size in sheet (+0.003”/-0.000”)
J = Bend allowance (find with Bend Calculator)
K = Minimum distance from center of hole to cut edge
N = Minimum distance from center of hole to edge of bend allowance area (J)
M = Minimum distance from hole center to hole center for two of the same hardware SKU
P = Minimum distance from hole center to hole center for two different hardware SKUs, see our Hardware Guidelines
Stainless Steel: 304, 316
| SKU | FH-032-8 |
| Thread Size | 10-32 |
| Hole size in sheet +0.003″/-0.000″ (H) | .189″ |
| Minimum sheet thickness | 0.04″ |
| Maximum sheet thickness | .375″ |
| Fastener material | 400 SST |
| Minimum distance hole C/L to edge (K) or bend (N) | .281″ |
| Minimum C/L to C/L distance between two of the same hardware SKU (M) | .376″ |
| Recommended panel material | Stainless Steel |
| Coating type | Passivated |
| Length | .500″ |
| 304 Stainless Steel material ranges | 0.040″-0.500″ |
| 316 Stainless Steel material ranges | 0.048″-0.500″ |
We proudly use hardware by PEM. To confirm specifications not listed here, search for the SKU in PEM’s hardware catalog.
H = Hole size in sheet (+0.003”/-0.000”)
J = Bend allowance (find with Bend Calculator)
K = Minimum distance from center of hole to cut edge
N = Minimum distance from center of hole to edge of bend allowance area (J)
M = Minimum distance from hole center to hole center for two of the same hardware SKU
P = Minimum distance from hole center to hole center for two different hardware SKUs, see our Hardware Guidelines
Stainless Steel: 304, 316
| SKU | FH4-032-12 |
| Thread Size | 10-32 |
| Hole size in sheet +0.003″/-0.000″ (H) | .189″ |
| Minimum sheet thickness | 0.04″ |
| Maximum sheet thickness | .625″ |
| Fastener material | 400 Stainless Steel |
| Minimum distance hole C/L to edge (K) or bend (N) | .281″ |
| Minimum C/L to C/L distance between two of the same hardware SKU (M) | .376″ |
| Recommended panel material | Stainless Steel |
| Coating type | Passivated |
| Length | .750″ |
| 304 Stainless Steel material ranges | 0.048″-0.500″ |
| 316 Stainless Steel material ranges | 0.060″-0.250″ |
We proudly use hardware by PEM. To confirm specifications not listed here, search for the SKU in PEM’s hardware catalog.
H = Hole size in sheet (+0.003”/-0.000”)
J = Bend allowance (find with Bend Calculator)
K = Minimum distance from center of hole to cut edge
N = Minimum distance from center of hole to edge of bend allowance area (J)
M = Minimum distance from hole center to hole center for two of the same hardware SKU
P = Minimum distance from hole center to hole center for two different hardware SKUs, see our Hardware Guidelines
Aluminum: 5052, 6061, 7075 Steel: Mild, G90
| SKU | FH-M6-12 |
| Thread Size | M6 x 1 |
| Hole size in sheet +0.003″/-0.000″ (H) | .236″ |
| Minimum sheet thickness | 0.040″ |
| Maximum sheet thickness | .347″ |
| Fastener material | Carbon Steel |
| Minimum distance hole C/L to edge (K) or bend (N) | .283″ |
| Minimum C/L to C/L distance between two of the same hardware SKU (M) | .403″ |
| Recommended panel material | Steel/Aluminum |
| Coating type | Zinc |
| Length | .472″ |
| Aluminum material ranges (5052, 6061, 7075) | 0.040″-0.250″ |
| Steel material ranges (CRS, HRPO, HR) | 0.048″-0.250″ |
We proudly use hardware by PEM. To confirm specifications not listed here, search for the SKU in PEM’s hardware catalog.
H = Hole size in sheet (+0.003”/-0.000”)
J = Bend allowance (find with Bend Calculator)
K = Minimum distance from center of hole to cut edge
N = Minimum distance from center of hole to edge of bend allowance area (J)
M = Minimum distance from hole center to hole center for two of the same hardware SKU
P = Minimum distance from hole center to hole center for two different hardware SKUs, see our Hardware Guidelines
Aluminum: 5052, 6061, 7075 Steel: Mild, G90
| SKU | FH-M6-20 |
| Thread Size | M6 x 1 |
| Hole size in sheet +0.003″/-0.000″ (H) | .236″ |
| Minimum sheet thickness | 0.063″ |
| Maximum sheet thickness | .662″ |
| Fastener material | Carbon Steel |
| Minimum distance hole C/L to edge (K) or bend (N) | .311″ |
| Minimum C/L to C/L distance between two of the same hardware SKU (M) | .431″ |
| Recommended panel material | Steel/Aluminum |
| Coating type | Zinc |
| Length | .787″ |
| Aluminum material ranges (5052, 6061, 7075) | 0.063″-0.500″ |
| Steel material ranges (CRS, HRPO, HR) | 0.074″-0.500″ |
We proudly use hardware by PEM. To confirm specifications not listed here, search for the SKU in PEM’s hardware catalog.
H = Hole size in sheet (+0.003”/-0.000”)
J = Bend allowance (find with Bend Calculator)
K = Minimum distance from center of hole to cut edge
N = Minimum distance from center of hole to edge of bend allowance area (J)
M = Minimum distance from hole center to hole center for two of the same hardware SKU
P = Minimum distance from hole center to hole center for two different hardware SKUs, see our Hardware Guidelines
Stainless Steel: 304, 316
| SKU | FH4-M6-20 |
| Thread Size | M6 x 1 |
| Hole size in sheet +0.003″/-0.000″ (H) | .236″ |
| Minimum sheet thickness | 0.063″ |
| Maximum sheet thickness | .662″ |
| Fastener material | 400 SST |
| Minimum distance hole C/L to edge (K) or bend (N) | .375″ |
| Minimum C/L to C/L distance between two of the same hardware SKU (M) | .494″ |
| Recommended panel material | Stainless Steel |
| Coating type | Zinc |
| Length | .787″ |
| 304 Stainless Steel material ranges | 0.074″-0.500″ |
| 316 Stainless Steel material ranges | 0.125″-0.500″ |
We proudly use hardware by PEM. To confirm specifications not listed here, search for the SKU in PEM’s hardware catalog.
H = Hole size in sheet (+0.003”/-0.000”)
J = Bend allowance (find with Bend Calculator)
K = Minimum distance from center of hole to cut edge
N = Minimum distance from center of hole to edge of bend allowance area (J)
M = Minimum distance from hole center to hole center for two of the same hardware SKU
P = Minimum distance from hole center to hole center for two different hardware SKUs, see our Hardware Guidelines
Aluminum: 5052, 6061, 7075 Steel: Mild, G90
| SKU | FH-0420-6 |
| Thread Size | 1/4-20 |
| Hole size in sheet +0.003″/-0.000″ (H) | .251″ |
| Minimum sheet thickness | 0.062″ |
| Maximum sheet thickness | .250″ |
| Fastener material | Carbon Steel |
| Minimum distance hole C/L to edge (K) or bend (N) | .312″ |
| Minimum C/L to C/L distance between two of the same hardware SKU (M) | .439″ |
| Recommended panel material | Steel/Aluminum |
| Coating type | Zinc |
| Length | .375″ |
| Aluminum material ranges (5052, 6061, 7075) | 0.040″-0.250″ |
| Steel material ranges (CRS, HRPO, HR) | 0.048″-0.250″ |
We proudly use hardware by PEM. To confirm specifications not listed here, search for the SKU in PEM’s hardware catalog.
H = Hole size in sheet (+0.003”/-0.000”)
J = Bend allowance (find with Bend Calculator)
K = Minimum distance from center of hole to cut edge
N = Minimum distance from center of hole to edge of bend allowance area (J)
M = Minimum distance from hole center to hole center for two of the same hardware SKU
P = Minimum distance from hole center to hole center for two different hardware SKUs, see our Hardware Guidelines
Aluminum: 5052, 6061, 7075 Steel: Mild, G90
| SKU | FH-0420-8 |
| Thread Size | 1/4-20 |
| Hole size in sheet +0.003″/-0.000″ (H) | .251″ |
| Minimum sheet thickness | 0.062″ |
| Maximum sheet thickness | .375″ |
| Fastener material | Carbon Steel |
| Minimum distance hole C/L to edge (K) or bend (N) | .312″ |
| Minimum C/L to C/L distance between two of the same hardware SKU (M) | .439″ |
| Recommended panel material | Steel/Aluminum |
| Coating type | Zinc |
| Length | .500″ |
| Aluminum material ranges (5052, 6061, 7075) | 0.060″-0.375″ |
| Steel material ranges (CRS, HRPO, HR) | 0.060″-0.375″ |
We proudly use hardware by PEM. To confirm specifications not listed here, search for the SKU in PEM’s hardware catalog.
H = Hole size in sheet (+0.003”/-0.000”)
J = Bend allowance (find with Bend Calculator)
K = Minimum distance from center of hole to cut edge
N = Minimum distance from center of hole to edge of bend allowance area (J)
M = Minimum distance from hole center to hole center for two of the same hardware SKU
P = Minimum distance from hole center to hole center for two different hardware SKUs, see our Hardware Guidelines
Stainless Steel: 304, 316
| SKU | FH4-0420-8 |
| Thread Size | 1/4-20 |
| Hole size in sheet +0.003″/-0.000″ (H) | .249″ |
| Minimum sheet thickness | 0.62″ |
| Maximum sheet thickness | .375″ |
| Fastener material | 400 Stainless Steel |
| Minimum distance hole C/L to edge (K) or bend (N) | .375″ |
| Minimum C/L to C/L distance between two of the same hardware SKU (M) | .500″ |
| Recommended panel material | Stainless Steel |
| Coating type | Passivated |
| Length | .500″ |
| 304 Stainless Steel material ranges | 0.060″-0.250″ |
| 316 Stainless Steel material ranges | 0.060″-0.250″ |
We proudly use hardware by PEM. To confirm specifications not listed here, search for the SKU in PEM’s hardware catalog.
H = Hole size in sheet (+0.003”/-0.000”)
J = Bend allowance (find with Bend Calculator)
K = Minimum distance from center of hole to cut edge
N = Minimum distance from center of hole to edge of bend allowance area (J)
M = Minimum distance from hole center to hole center for two of the same hardware SKU
P = Minimum distance from hole center to hole center for two different hardware SKUs, see our Hardware Guidelines
Aluminum: 5052, 6061, 7075 Steel: Mild, G90
| SKU | FH-0420-12 |
| Thread Size | 1/4-20 |
| Hole size in sheet +0.003″/-0.000″ (H) | .251″ |
| Minimum sheet thickness | 0.062″ |
| Maximum sheet thickness | .625″ |
| Fastener material | Carbon Steel |
| Minimum distance hole C/L to edge (K) or bend (N) | .312″ |
| Minimum C/L to C/L distance between two of the same hardware SKU (M) | .439″ |
| Recommended panel material | Steel/Aluminum |
| Coating type | Zinc |
| Length | .750″ |
| Aluminum material ranges (5052, 6061, 7075) | 0.040″-0.500″ |
| Steel material ranges (CRS, HRPO, HR) | 0.048″-0.500″ |
We proudly use hardware by PEM. To confirm specifications not listed here, search for the SKU in PEM’s hardware catalog.
H = Hole size in sheet (+0.003”/-0.000”)
J = Bend allowance (find with Bend Calculator)
K = Minimum distance from center of hole to cut edge
N = Minimum distance from center of hole to edge of bend allowance area (J)
M = Minimum distance from hole center to hole center for two of the same hardware SKU
P = Minimum distance from hole center to hole center for two different hardware SKUs, see our Hardware Guidelines
Stainless Steel: 304, 316
| SKU | FH4-0420-12 |
| Thread Size | 1/4-20 |
| Hole size in sheet +0.003″/-0.000″ (H) | .249″ |
| Minimum sheet thickness | 0.62″ |
| Maximum sheet thickness | .625″ |
| Fastener material | 400 Stainless Steel |
| Minimum distance hole C/L to edge (K) or bend (N) | .375″ |
| Minimum C/L to C/L distance between two of the same hardware SKU (M) | .500″ |
| Recommended panel material | Stainless Steel |
| Coating type | Passivated |
| Length | .750″ |
| 304 Stainless Steel material ranges | 0.060″-0.250″ |
| 316 Stainless Steel material ranges | 0.060″-0.250″ |
We proudly use hardware by PEM. To confirm specifications not listed here, search for the SKU in PEM’s hardware catalog.
H = Hole size in sheet (+0.003”/-0.000”)
J = Bend allowance (find with Bend Calculator)
K = Minimum distance from center of hole to cut edge
N = Minimum distance from center of hole to edge of bend allowance area (J)
M = Minimum distance from hole center to hole center for two of the same hardware SKU
P = Minimum distance from hole center to hole center for two different hardware SKUs, see our Hardware Guidelines
Stainless Steel: 304, 316
| SKU | FH4-0420-16 |
| Thread Size | 1/4-20 |
| Hole size in sheet (+0.003/-.0.000) | .249″ |
| Minimum sheet thickness | 0.062″ |
| Maximum sheet thickness | .875″ |
| Fastener material | 400 Stainless Steel |
| Minimum distance hole C/L to edge (K) or bend (N) | .375″ |
| Minimum C/L to C/L distance between two of the same hardware size (M) | .437″ |
| Recommended panel material | Stainless Steel |
| Coating type | Passivated |
| Length | 1.000″ |
| 304 Stainless Steel material ranges | 0.060″-0.250″ |
| 316 Stainless Steel material ranges | 0.060″-0.250″ |
We proudly use hardware by PEM. To confirm specifications not listed here, search for the SKU in PEM’s hardware catalog.
H = Hole size in sheet (+0.003”/-0.000”)
J = Bend allowance (find with Bend Calculator)
K = Minimum distance from center of hole to cut edge
N = Minimum distance from center of hole to edge of bend allowance area (J)
M = Minimum distance from hole center to hole center for two of the same hardware SKU
P = Minimum distance from hole center to hole center for two different hardware SKUs, see our Hardware Guidelines
Aluminum: 5052, 6061, 7075 Steel: Mild
| SKU | FH-M8-12 |
| Thread Size | M8 x 1.25 |
| Hole size in sheet +0.003″/-0.000″ (H) | .315″ |
| Minimum sheet thickness | 0.094″ |
| Maximum sheet thickness | .347″ |
| Fastener material | Carbon Steel |
| Minimum distance hole C/L to edge (K) or bend (N) | .378″ |
| Minimum C/L to C/L distance between two of the same hardware SKU (M) | .536″ |
| Recommended panel material | Steel/Aluminum |
| Coating type | Zinc |
| Length | .472″ |
| Aluminum material ranges (5052, 6061, 7075) | 0.100″-0.250″ |
| Steel material ranges (CRS, HRPO, HR) | 0.104″-0.250″ |
We proudly use hardware by PEM. To confirm specifications not listed here, search for the SKU in PEM’s hardware catalog.
H = Hole size in sheet (+0.003”/-0.000”)
J = Bend allowance (find with Bend Calculator)
K = Minimum distance from center of hole to cut edge
N = Minimum distance from center of hole to edge of bend allowance area (J)
M = Minimum distance from hole center to hole center for two of the same hardware SKU
P = Minimum distance from hole center to hole center for two different hardware SKUs, see our Hardware Guidelines
Aluminum: 5052, 6061, 7075 Steel: Mild
| SKU | FH-M8-25 |
| Thread Size | M8 x 1.25 |
| Hole size in sheet +0.003″/-0.000″ (H) | .315″ |
| Minimum sheet thickness | 0.094″ |
| Maximum sheet thickness | .859″ |
| Fastener material | Carbon Steel |
| Minimum distance hole C/L to edge (K) or bend (N) | .378″ |
| Minimum C/L to C/L distance between two of the same hardware SKU (M) | .536″ |
| Recommended panel material | Steel/Aluminum |
| Coating type | Zinc |
| Length | .984″ |
| Aluminum material ranges (5052, 6061, 7075) | 0.100″-0.500″ |
| Steel material ranges (CRS, HRPO, HR) | 0.104″-0.500″ |
We proudly use hardware by PEM
| SKU | SO4-632-20 |
| Thread Size | 6-32 |
| Hole size in sheet (+0.003/-.0.000) | .213″ |
| Minimum sheet thickness | 0.04″ |
| Maximum sheet thickness | .500″ |
| Fastener material | 400 Stainless Steel |
| Minimum distance hole C/L to edge | 0.280″ |
| When determining the distance between two or more fasteners, you can calculate the distance by the formula, C/L to edge + 1/2 the diameter of the second mounting hole. Example shown with x2 of the same hardware. | .420″ |
| Recommended panel material | Stainless Steel |
| Coating type | Passivated |
| Length | .625″ |
| 304 Stainless Steel material ranges | 0.048″-0.375″ |
| 316 Stainless Steel material ranges | 0.060″-0.375″ |